首页
首页
电气工程
电气图纸
电气图纸
某大厦高压配电系统图
某大厦高压配电系统图包括A区高压系统图、B1区高压系统图、C区高压系统图、B3区高压系统图等
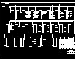
某地下车站照明配电箱系统图
某地下车站照明配电箱系统图包括地下二层西端照明配电箱系统图(一)、地下二层西端照明配电箱系统图(二)、地下二层东端照明配电箱系统图
110KV变电所一次系统图
110KV变电所一次系统图,供大家参考!
某变电站保护配置及综合自动化系统图
某变电站保护配置及综合自动化系统图,供大家参考!
某区光纤通信系统组织图
某区光纤通信系统组织图,供大家参考!
电气二次绘图常用CAD图块
电气二次绘图常用CAD图块,供大家参考!
450KW电动机启动原理图
450KW电动机启动原理图,供大家参考!
某水闸电气主接线系统图
某水闸电气主接线系统图,供大家参考!
6KV配电一次系统图纸
6KV配电一次系统图纸,供大家参考!
FDQ-IVK-YL电气原理图
FDQ-IVK-YL电气原理图,供大家参考!
10KV进线柜二次原理图
10KV进线柜二次原理图,供大家参考!
GCS配电柜面板图
GCS配电柜面板图,供大家参考!
无触点电容补偿柜电气原理图
无触点电容补偿柜电气原理图,供大家参考!
某天然气净化厂低压供电系统图
某天然气净化厂低压供电系统图,供大家参考!
室内温度自动控制器原理图
室内温度自动控制器原理图,供大家参考!
某44层大楼电气火灾监控系统图
某44层大楼电气火灾监控系统图,供大家参考!
机房配电柜原理图
机房配电柜原理图,供大家参考!
真空负荷开关外型详图
真空负荷开关外型图包括真空负荷开关外型图、真空负荷开关外型图2等
农村电网10kv及以下工程户外低压无功补偿箱设计详图
农村电网10kv及以下工程户外低压无功补偿箱设计详图包括低压无功补偿箱连接组装、低压无功补偿箱安装图等
某会议室弱电平面图
某会议室弱电平面图包括设备布位图、吊顶内及地面管线图、设备布位图等
首页
上一页
下一页
尾页