首页
首页
电气工程
电气图纸
电气图纸
DW15断路器控制原理图
DW15断路器控制原理图,供大家参考!
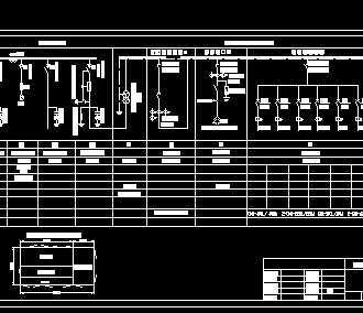
低压配电柜电气原理图
低压配电柜电气原理图,供大家参考!
加热炉直接调压二次原理图
加热炉直接调压二次原理图,供大家参考!
风机塔架地基图
风机塔架地基图包括风机塔架地基图、拉链地基图等
BAS全空气调节机组监控系统图
BAS全空气调节机组监控系统图,供大家参考!
有线电视室外系统图
有线电视室外系统图,供大家参考!
箱式变电站电气图纸
箱式变电站电气图纸包括箱式变电站WXB-10/0.4kV-250kVAX1二次电路图、箱式变电站WXB-10/0.4kV-250kVAX1一次结线系统图等
某水上乐园滑梯设备安装图纸
某水上乐园滑梯设备安装图纸包括彩虹滑梯设计详图、滑梯平台平面图、A型219立柱基础平面图、4-4剖面图、敞开皮筏滑梯立面图、大型水屋滑梯安装图等
空调YCAE远程控制及数码涡旋YDOH配电图
空调YCAE远程控制及数码涡旋YDOH配电图包括箱体图、配电箱图1、配电箱图2、配电箱图3等
火灾自动报警系统图
火灾自动报警系统图,供大家参考!
10KV(0.4KV)箱变电气图纸
10KV(0.4KV)箱变电气图纸包括单环网型箱变、单环网箱变、箱式变电站基础参考图等
某酒店灯光设计详图
某酒店灯光设计详图,供大家参考!
某水上乐园工程配电图纸
某水上乐园工程配电图纸包括1#机房配电图、2#机房配电图、造浪机房设备主电路图、2#机房水处理设备主电路图等
某小区底层商铺基础接地总等电位平面图
某小区底层商铺基础接地总等电位平面图,供大家参考!
35KV变电站室外监控系统图
35KV变电站室外监控系统图包括监控系统图、新电力公司室外监控总平面图、中心变电站室外监控总平面图、机场35Kv变电站室外监控总平面图等
各种变电站安防系统平面布置图
各种变电站安防系统平面布置图包括城东变电站安防系统布置平面图、变电站安防系统布置平面图、金珠变电站安防系统布置平面图、二级站家属区安防系统设计平面图等
八表箱(暗装)平面布置图
八表箱(暗装)平面布置图,供大家参考!
计量车电气接线图
计量车电气接线图,供大家参考!
通用CPS电机控制原理图
通用CPS电机控制原理图包括控制方案B 风机、水泵就地手动+自动控制、控制方案D 风机、水泵两地手动+自动控制、控制方案F 排烟风机、排烟补风机就地手动+消防手、自动控制等
某体育中心建筑设备监控系统图
某体育中心建筑设备监控系统图,供大家参考!
首页
上一页
下一页
尾页