首页
首页
电气工程
电气图纸
电气图纸
某大楼安保消防报警系统设计图纸
某大楼安保消防报警系统设计图纸包括安全防范系统图、消防火灾自动报警系统图、设计说明,供大家参考!
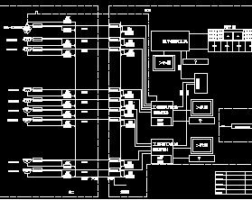
机房消防灭火系统设计图纸
机房消防灭火系统设计图纸包括七氟丙烷半固定柜式灭火装置设计说明、七氟丙烷半固定柜式灭火装置设计图、报警平面图、火灾自动报警系统原理图,供大家参考!
监控、背景音乐系统图
监控、背景音乐系统图,供大家参考!
监控报警系统图
监控报警系统图,供大家参考!
监控防盗报警及闭路电视系统图
监控防盗报警及闭路电视系统图,供大家参考!
闭路电视监控系统原理图
闭路电视监控系统原理图,供大家参考!
消防设计CAD图库
消防设计CAD图库,供大家参考!
35kV变电站综合报警屏端子排接线图
35kV变电站综合报警屏端子排接线图,供大家参考!
消防泵电气原理图
消防泵电气原理图,供大家参考!
110千伏变电所建筑、电气施工图纸
110千伏变电所建筑、电气施工图纸包括综合楼一层火灾报警平面布置图、综合楼二层火灾报警平面布置图、综合楼三层火灾报警平面布置图、厂区安防平面图、综合楼三层安防系统平面布置图
280万吨/年重油催化裂化装置火灾报警系统图
280万吨/年重油催化裂化装置火灾报警系统图,供大家参考!
漏电报警系统图
漏电报警系统图,供大家参考!
滤波动态补偿原理图
滤波动态补偿原理图,供大家参考!
门禁系统设计图纸
门禁系统设计图纸,供大家参考!
11层办公楼火灾自动报警系统设计图纸
11层办公楼火灾自动报警系统设计图纸包括火灾自动报警系统九层平面图、火灾自动报警系统二层平面图、火灾自动报警系统三层平面图、火灾自动报警系统十一层平面图,供各位参考!
地下车库电气施工图纸
地下车库电气施工图纸包括地下车库照明平面、地下车库配电平面、地下车库动力平面地下车库接地平面,供各位参考!
某高层办公楼消防施工图纸
某高层办公楼消防施工图纸包括地下二层消防平面图、地下一层消防平面图、一层消防平面图、二层消防平面图、十~二十五层消防平面图、设备层消防报警,联动平面图、九层消防平面图
某医院消防系统设计图纸
某医院消防系统设计图纸包括十层消防平面图、消防系统图、地下一层消防平面图、一层消防平面图、八层消防平面图、三-七层消防平面图、九层消防平面图,供大家参考!
某地下人防车库电气施工图纸
某地下人防车库电气施工图纸包括地下室照明平面图、地下室配电平面图、地下室诱导风机电气平面图、地下室消防平面图、地下室接地平面图,供大家参考!
油机房电气施工图纸
油机房电气施工图纸包括照明平面图、火灾自动报警平面图、照明系统图、设备材料表,供大家参考!
首页
上一页
下一页
尾页