首页
首页
电气工程
电气图纸
电气图纸
智能化住宅小区电气系统设计图纸
智能化住宅小区电气系统设计图纸,内容详细,线条清晰明朗,供各位参考!
信息中心机房BASFAS系统电气设计图
信息中心机房BASFAS系统电气设计图包括视频监控系统平面布置图、视频监控系统图、火灾自动报警系统平面布置图、火灾自动报警系统图,供大家参考!
住宅小区安防系统电气设计图纸
住宅小区安防系统电气设计图纸包括停车场管理系统图、三坊A闭路电视监控系统图、一坊二闭路电视监控系统图、三坊A周界防越报警系统图、一坊二周界防越报警系统图、电子巡更管理系统图
自耦启动带消防控制原理图
自耦启动带消防控制原理图,供大家参考!
中医院病房楼消防施工图纸
中医院病房楼消防施工图纸包括一层消防施工图、二层消防施工图、三层消防施工图、四层消防施工图、五层消防施工图、六层消防施工图、一层竖井管线桥架跨接弱电设备室平面图
监控和周界防范电气设计图纸
监控和周界防范电气设计图纸,供大家参考!
展览馆消防平面设计图纸
展览馆消防平面设计图纸,内容详细,线条清晰明朗,供各位参考!
火灾报警系统图
火灾报警系统图,内容详细,线条清晰明朗,供各位参考!
某邮局消防自动报警平面设计图纸
某邮局消防自动报警平面设计图纸,供各位参考!
制剂车间电气消防施工图纸
制剂车间电气消防施工图纸包括消防系统图、吊顶内防火调节阀输出信号接线系统图、二层吊顶内防火调节阀输出信号接线系统图、三层吊顶及四层吊顶内防火调节阀输出信号接线系统图
35kv变压器二次综保电气图
35kv变压器二次综保电气图,内容详细,线条清晰明朗,供各位参考!
35KV变压器双加进线及二次原理图
35KV变压器双加进线及二次原理图包括35kV一次系统图、35kV进线开关二次接线原理图、35kV进线开关二次接线原理图、35kV进线备自投逻辑图、35kV进线备自投二次接线原理图
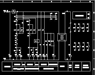
75t炉低压柜电气设计图纸
75t炉低压柜电气设计图纸,内容详细,线条清晰明朗,供各位参考!
GGJ型电容器柜电气原理图
GGJ型电容器柜电气原理图,供大家参考!
街道改造工程UBS应急照明系统图
街道改造工程UBS应急照明系统图,供大家参考!
应急照明系统(UBS)竖向系统图
应急照明系统(UBS)竖向系统图,供大家参考!
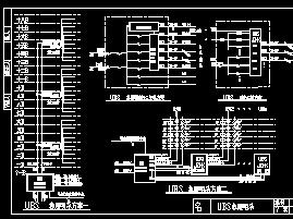
UBS应急照明系统电气图
UBS应急照明系统电气图包括UBS应急照明系统图、应急系统灯具接线展开图,供大家参考!
荧光灯支路接线图
荧光灯支路接线图,供大家参考!
地下车库UBS应急照明系统图
地下车库UBS应急照明系统图,供大家参考!
YFPJ高低压预付费计量原理接线图
YFPJ高低压预付费计量原理接线图,供大家参考!
首页
上一页
下一页
尾页