首页
首页
建筑图纸
建筑详图、图库
建筑详图、图库
垂柱详图
该图为垂柱详图,CAD2008版,供各位参考。
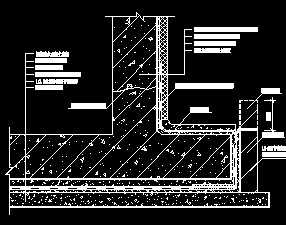
底板防水节点大样图
该图为底板防水节点大样图,CAD2008版,供各位参考。
地下连续墙防水构造图(II级设防)
该图为地下连续墙防水构造图(II级设防),CAD2008版,供各位参考。
地下室背水面防水构造图
该图为地下室背水面防水构造图,CAD2008版,供各位参考。
地下室穿墙管节点防水图
该图为地下室穿墙管节点防水图,CAD2008版,供各位参考。
地下室底板、壁板后嵌埋式变形缝
该图为地下室底板、壁板后嵌埋式变形缝,CAD2008版,供各位参考。
地下室底板、壁板预埋式变形缝节点构造图
该图为地下室底板、壁板预埋式变形缝节点构造图,CAD2008版,供各位参考。
地下室对拉模板螺栓(套管式、埋入式)节点防水图
该图为地下室对拉模板螺栓(套管式、埋入式)节点防水图,CAD2008版,供各位参考。
地下室架空疏水防水构造(I级设防)
该图为地下室架空疏水防水构造(I级设防),CAD2008版,供各位参考。
地下室外防内涂防水构造图(II级设防)
该图为地下室外防内涂防水构造图(II级设防),CAD2008版,供各位参考。
地下室外防外涂防水构造图(II级设防)
该图为地下室外防外涂防水构造图(II级设防),CAD2008版,供各位参考。
地下室外防外涂防水构造图(I级设防)
该图为地下室外防外涂防水构造图(I级设防),CAD2008版,供各位参考。
地下室外防外涂防水构造图
该图为地下室外防外涂防水构造图,CAD2008版,供各位参考。
点玻底部收口大样图
该图为点玻底部收口大样图,CAD2008版,供各位参考。
点式幕墙吊夹系列节点详图
该图为点式幕墙吊夹系列节点详图,CAD2008版,供各位参考。
二合一地下连续墙防水构造图(II级设防)
该图为二合一地下连续墙防水构造图(II级设防),CAD2008版,供各位参考。
泛水详图
该图为泛水详图,CAD2008版,供各位参考。
方木贴面详图
该图为方木贴面详图,CAD2008版,供各位参考。
防排结合构造图基坑、疏排水通管道断面图
该图为防排结合构造图基坑、疏排水通管道断面图,CAD2008版,供各位参考。
分仓缝详图
该图为分仓缝详图,CAD2008版,供各位参考。
首页
上一页
下一页
尾页