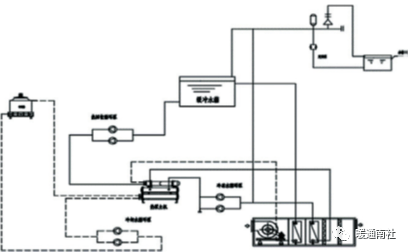
1 引言 热泵系统主要由压缩机、冷凝器、节流阀和蒸发器组成,其主要采用逆卡诺循环。空气能热泵机组工作时,通过风机将空气吸入机组内部,经过换热器后空气中的低温热量被换热器吸收,并转移到保温水箱中,给水加热;失去热量的空气温度降低,变成冷空气从风机吹出来。 涂装车间喷漆室是能耗最大的设备,占车间总能耗40%左右,其中空调能耗又占喷漆室的40%以上,因而对循环风空调如何降低能耗可成为节能减排的研究对象。 以采用湿式喷漆室,循环风送风方式为例,采用空气源热泵系统对空气进行热湿处理,以达到工艺所需求的温湿度。 2 工程问题分析 2.1 基本要求 以某汽车涂装车间空调为例,其循环风空调风量为73500m3/h,喷漆室送风温湿度要求为25℃,75%RH。循环风经文丘里后,空调进风口相对湿度近似为90%。循环风空调先表冷(除去空气中多余水分)再加热升温,达到目标要求25℃,75%RH。 2.2 工艺处理 文丘里近似为等焓加湿过程,经表冷,冷凝到100%,在表冷(过冷),在二次加热除湿到目标点。见图1。 图1 实现过程为A~ B等焓加湿;B~C表冷除湿(绝对湿度不变,相对湿度升高至 100%);C~D继续除湿;(绝对湿度减少,相对湿度不变100%);D~A二次加热(图2)。 图2 2.3 冷热量计算 制冷量:B~C过程;C~ D过程 GL=Q×ρ×Δi 冷(kJ/h); Q—喷漆风量(m3/h); ρ—空气密度(kg/m3); Δi—焓差(kJ/kg); GL=73500×1.2×(63.18-58.27)=4.33×105KJ/h 二次除湿加热量:D~ A过程 GR=Q×ρ×Δi 热(kJ/h); Q—喷漆风量(m3/h); ρ—空气密度(kg/m3); Δi—焓差(kJ/kg); GR=73500×1.2×(63.18-58.27)=4.33×105KJ/h 综上所述,QL=QR 2.3.1 湿式喷漆室循环风空调一般结构见图3: 图3 2.3.2 主要功能段为:进风段、初校段、中校段、高校段、表冷段、加热段、风机段、消音段、出风段。表冷段除湿(冷冻水),加热段升温(热水、二次加热),需要两种能源; 2.3.3 若采用空气源热泵,仅需考虑电能。压缩机做功,介质在经过冷凝器后放热,该部分可作为循环风的加热段,介质经过蒸发器后为吸热对外降温过程(除湿),该部分可作为循环风空调的表冷段。 小结:故对仅有电能或其它因素制约情况下,空气源热泵可考虑作为循环风空调除湿、加热的一种有效途径。 2.4 不同空气处理机组的系统原理图 2.4.1 采用空气源热泵(制冷剂系统)进行空气处理,系统原理图4 图4 图5 图6 2.4 不同空气处理机组的系统原理图 2.4.1 采用空气源热泵(制冷剂系统)进行空气处理,系统原理图4 2.4.2 采用水冷冷热水机组进行空气处理,系统原理图5 2.4.3 采用锅炉、冷冻水进行空气处理,系统原理图6 3 能耗分析 说明: 能源利用系数E=η1η2εh 其中,η1——发电效率 η2——输电效率 εh——性能系数 平均性能系数COP 其计算公式为:COP=Q0/Ne=Q0/N0·ηs=ε0·ηs。 Q0:制冷系统需要的制冷量( 制热量) N0:制冷压缩机的理论功率 Ne:轴功率 ε0:是理论制冷系数( 制热系数) ηs:是总效率( 绝热效率) 4 社会效益 热泵是一种能使热量从低温物体转移到高温物体的能量利用装置。可以把某些不能直接利用的低温热能变为有用的热能,进而提高热能利用率,节约成本。 应用热泵技术一方面可以减少CO2的排放量,一方面限期停用CFC工质。产生温室效应的主要气体是:CO2、CH4、N2O和HFC,分析和调查表明热泵技术的应用对降低温室效应起了积极作用。见图7。 冷冻水系统节约电量59KW,比热泵冷热水系统节约21KW。由于涂装车间是常年需要恒温恒湿,故按照每天运行20 小时,每个月运行22 天,每年运行300 天计算,则每年节约的电量为 6 结论 空气源热泵制冷剂系统在汽车涂装循环风空调中应用,不仅为国家降低CO2排放量,而且为企业提高了能源利用效率,节约了运行费用。热泵系统在众多领域广泛应用,如冷冻行业、医药制造业、中科院所、汽车制造业等。







