首页

  1. 首页
  2. 小品及配套设施
  3. 内容

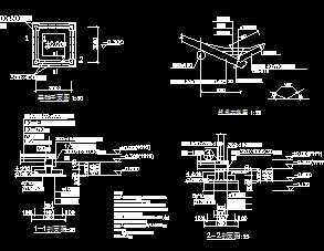
某四角古亭大样详图

  • 资料大小:376 KB
  • 运行环境:NT/2000/XP/2003/Vista
  • 资料语言:简体中文
  • 资料评级
  • 授权形式:资料共享
  • 更新时间:2015-01-19 11:56
  • 发布作者:小吒吒
  • 插件情况 无插件,请放心使用
  • 文件类型 RAR
  • 解压密码:gc5.com
  • 安全检测 瑞星 江民 卡巴斯基 金山
某四角古亭大样详图
介绍: 说明: 1.本建筑设计中,由于无地质资料,设地基承载力为50kpa。2块石垫层必须位于粘土层上,如挖至此标高时土质与设计不符,必须请设计人员现场处理。 3.砼标号除标明外其余为c20,/为I级钢筋,为二级钢筋。 4.在所有转角处加5/14@100转角钢筋。
点击进入下载 (需要 0 积分)

相关文章

回到顶部
请复制以下网址分享
某四角古亭大样详图
https://m.gc5.com/ylgc/yltz/yljg/10749763.html