首页
首页
园林图纸
小品及配套设施
小品及配套设施
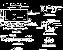
缘石设计详图
缘石设计详图包括弧型座凳大样图、外围缘石大样图、栏杆大样图、花岗岩路面做法、宽缘石详图、蘑菇石大样图、出入口五台阶大样图、通透式围墙剖面图、中心平台踏步大样图等。
园林CAD图库大全
园林CAD图库大全,供参考!
池底驳施工大样图
池底驳施工大样图包括景观河道剖面大样图、河流驳岸详图、型溪流典型剖面详图、水池驳岸大样图等。
池沿驳岸施工图纸合集
池沿驳岸施工图纸合集包括水体景区金鱼戏水池断面图、悬挑半圆板配筋图、景观水池平面图、湖底结构图、堤岸断面图、小庭院水景详图、小庭院水道详图、聚贤湖结构平面图、驳岸五详图、跌水台阶剖面图等。
园林构造详图
园林构造详图包括栏杆立面、剖面大样图、池壁大样图、集水沟木盖板大样图等。
CAD构造详图
CAD构造详图包括入户A-A剖面图、跳泉水池断面图、跳泉景区平面图、戏水台平面图、树池B平面图等。
CAD标志设计大样图
CAD标志设计大样图包括旗杆立面图、剖面图、详图、报栏立面图、报栏平面图、电话亭立面图、镶灯石墩立面图等。
CAD雕塑设计大样图
CAD雕塑设计大样图包括风车平面示意图、详图、立面图、海神图腾柱立面图、舵轮平面图等。
园林施工构造详图
园林施工构造详图包括中心绿地平面放样图、听水广场平面图、中心水池平面图、中心水池1-1剖面图、旱喷及景观水池剖面大样图、集水沟及草地花坛剖面大样图、水池池壁砖砌做法、流水台阶出水口大样图等。
公园小品施工大样图
公园小品施工大样图包括跌水池平面图、花池剖面详图、跌水池剖面详图、玻璃水槽剖面详图、跌水池正立面图、坐凳局部平面图、休息岛平面图、坐凳剖面图等。
吐水浮雕墙设计图纸
吐水浮雕墙设计图纸包括吐水浮雕墙平面图、吐水浮雕墙剖面图、吐水浮雕墙立面图等。
CAD构造详图
CAD构造详图包括内墙变形缝立面图、外墙变形缝、止水带详图、地面变形缝、电缆沟详图、底层截水沟详图、明水沟详图等。
观景台设计图纸
观景台设计图纸包括观景台平面图、观景台地面做法、观景台1-1剖面图等。
观景台施工图纸
观景台施工图纸包括观景台结构平面图、水景墙平面图、水景墙立面图等。
木栈台施工大样图
木栈台施工大样图包括木栈台立面图(从水面方向)、木栈台平面图、木栈台2-2剖面图等。
亭子CAD施工图纸
亭子CAD施工图纸包括岗亭a-b立面图、窗详图、镶板门立面图等。
路缘侧石设计图纸
路缘侧石设计图纸包括路缘大样图、平面大样图、路缘剖面大样图、盆苗布置平面图、盆苗布置剖面图等。
39种铺地施工大样图
39种铺地施工大样图包括铺地平面图、铺地立面图、铺地大样图等。
50种铺地施工大样图
50种铺地施工大样图包括铺地大样图、铺地剖面图、详图等。。
45种铺地施工大样图
45种铺地施工大样图包括铺地平面图、铺地大样图、铺地剖面图等。
首页
上一页
下一页
尾页