首页
首页
园林图纸
小品及配套设施
小品及配套设施
某处跌水构架及喷泉水施工图纸
某处跌水构架及喷泉水施工图纸包括跌水构架给排水系统图、积水坑大样图、跌水架区给排水平面布置图、水池B1-1剖面图、水池A平面图等。
假山CAD合集
假山CAD合集包括石阵丛林平面图、叠石B剖面详图、平面图、正立面图、思源石平面图、假山立面图、假山平面图、1-1剖面图等。
精品树立面图集
精品树立面图集,供参考!
公园设计图集
公园设计图集包括平面图等,供参考!
古建牌坊入口设计图纸
古建牌坊入口设计图纸包括院墙平立面图等,供参考!
仿古建筑小品施工图纸
仿古建筑小品施工图纸包括立面图、大样图、门大样图、连廊结构平面图、P1-P1剖面配筋图、管养室结构平面图、连廊基础图、连廊结构图、管养室屋面结构图、管养室楼梯详图等。
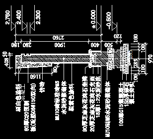
雕塑水池结构详图
雕塑水池结构详图包括雕塑水池B-B断面图、挡土墙平面布置图、跌瀑剖面图、挡墙配筋图、水池边配筋图、雕塑基础平面布置图、雕塑水池A-A断面图等。
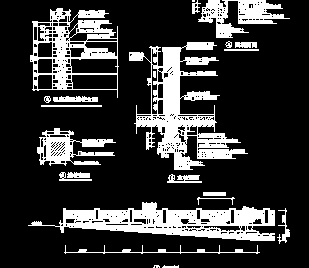
跌水景观大样图
跌水景观大样图包括B8--B10间叠水立面图、1-1剖面图等。
仿古马头墙及披檐详图
仿古马头墙及披檐详图包括马头墙剖面图(节点6)、马头墙剖面图(节点7)、木檩条选用表(中距 600~1000)、披檐示意图(节点9)等。
园林配套设施设计图块
主要包括四个部分:01亭廊花架篇、02景观小品篇、03特色水景篇、04各式图块篇。均为施工图常用文件
公交站候车亭施工图纸
公交站候车亭施工图纸包括站台正立面图、站台侧立面图、站台剖面图、站台顶平面图、站台平面图
栏杆设计图纸汇总
栏杆设计图纸汇总包括立面图、平面图、剖面图、木栏杆立面图、小院围墙大样图等。
景墙设计图纸汇总
景墙设计图纸汇总包括立面图、标志墙立面图、剖面详图、背立面图等。
围墙设计图纸汇总
围墙设计图纸汇总包括私家花园墙柱平面图、围墙剖面图、立柱剖面图、剖面图等。
挡土墙设计详图汇总
挡土墙设计详图汇总包括挡土墙平面图、剖面图、挡土墙立面图等,供参考!
挡土墙设计图纸
挡土墙设计图纸包括墙面及玻璃扶手剖面图、玻璃幕墙剖面图等。
挡土墙设计图纸
挡土墙设计图纸包括预埋件详图、剖面图等。
挡土墙设计图纸
挡土墙设计图纸包括剖面图等,供参考!
主水池底板伸缩缝详图
主水池底板伸缩缝详图等,供参考!
乔灌木设计大样图
乔灌木设计大样图包括总平面图等,供参考!
首页
上一页
下一页
尾页