首页
首页
园林图纸
小品及配套设施
小品及配套设施
喷水池施工详图
喷水池施工详图,供大家参考!
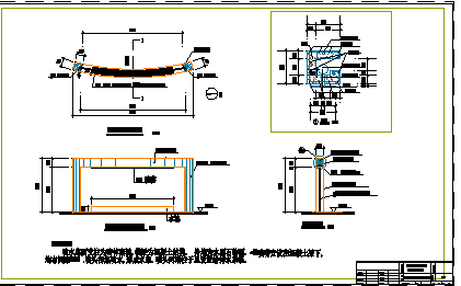
喷水池施工大样图
喷水池施工大样图,喷水池位置平面图、做法大样喷水池平面图、立面图、剖面、做法大样柱廊前铺地平面图、做法大样等,供参考!
某中学亭子设计图
某中学亭子设计图,亭子立面图、亭子平面图、剖面图等,供参考!
竹园塑竹亭设计图纸
竹园塑竹亭设计图纸,包括竹园塑竹亭平、立、剖面图等,供参考!
柱廊前圆形跌水池施工图
柱廊前圆形跌水池施工图,柱廊前圆形喷水池立面图、柱廊前圆形喷水池平面图、跌水盆组合放样图、剖面图等,供参考!
砖砌花池做法大样图
砖砌花池做法大样图,供大家参考!
桩景园休息亭设计图纸
桩景园休息亭设计图纸,包括休息亭平、立、剖面图等,供参考!
座凳做法大样图
座凳做法大样图,供大家参考!
某小区喷水廊施工图
某小区喷水廊施工图,平面图、剖面图、喷水廊东立面图、详图等,供参考!
景观亭设计图纸
景观亭设计图纸,包括木亭南立面图、剖面图、木亭顶视图等,供参考!
欧式亭设计图
欧式亭设计图,底平面图、顶平面图、立面图、剖面图等,供参考!
某广场雕塑基座设计图纸
某广场雕塑基座设计图纸,立面图、预埋铁件大样图、基座结构图等,供参考!
海马海螺雕塑施工大样图
海马海螺雕塑施工大样图,海马雕塑侧立面、海螺立面、情侣雕塑正立面图、情侣雕塑侧立图,等,供参考!
广场花坛施工图
广场花坛施工图,包括花池顶视图、花坛平面图、道路花坛平面图、绿地中花坛等,供参考!
CAD景观图库
CAD景观图库,供大家参考! 2016-08-02
池沿驳坎施工图纸
池沿驳坎施工图纸,包括驳岸大样、驳岸及拦杆索引图、木栈道栏杆大样、亲水平台(浅水)、亲水平台一(深水)等,供参考!
跌水叠泉设计图纸
跌水叠泉设计图纸,包括叠水平面图、叠水铺地平面图、叠水管理用房平面图、轴立面图、剖面图等,供参考!
水幕瀑布设计图纸
水幕瀑布设计图纸,平面图、立面图、剖面图、详图等,供参考!
喷水涌泉施工详图
喷水涌泉施工详图,供大家参考!
旱喷旱池施工详图
旱喷旱池施工详图,包括旱地喷泉平面图、听水广场平面图、中心水池平面图等,供参考!
首页
上一页
下一页
尾页