首页
首页
园林图纸
小品及配套设施
小品及配套设施
木结构八角亭施工图
木结构八角亭施工图包括包括景亭平面铺装、基础及地梁布置平面、亭内座椅平面图、景亭立面图等
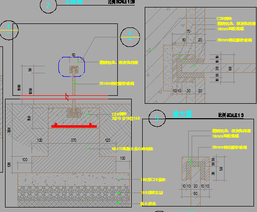
木亭细部施工图
木亭细部施工图,供大家参考
石桌凳施工图
石桌凳施工图,供大家参考
水池边坐凳大样图
水池边坐凳大样图,供大家参考
广场坐凳设计图
广场坐凳设计图平面图、立面图、剖面图、引索图、大样图等,供大家参考
特色景墙详图
特色景墙详图包括平面图、立面图、剖面图、引索图等,供大家参考
残疾人坡道施工图
残疾人坡道施工图包括平面图、立面图,供大家参考
典型自然驳岸施工图
典型自然驳岸施工图,供大家参考
跌水桥施工图
跌水桥施工图包括平面图、立面图、剖面图、大样图等,供大家参考
花岗岩收边施工图
花岗岩收边施工图,供大家参考
沥青混凝土道路施工图
沥青混凝土道路施工图,供大家参考
路牙节点图
路牙节点图,供大家参考
路牙施工图
路牙施工图,供大家参考
木甲板栏杆大样图
木甲板栏杆大样图包括平面图、立面图、剖面图、龙骨铺设等
特色亭大样图
特色亭大样图包括平面图、立面图、剖面图、特色亭结构及节点大样图等,供大家参考
重檐六角亭全套施工图
重檐六角亭全套施工图包括平面图、立面图、剖面图、梁筋示意图等
仿古满洲窗图块
仿古满洲窗图块,供大家参考
车行桥施工详图
车行桥施工详图包括平面图、立面图、剖面图等,供大家参考
游泳池设计图
游泳池设计图,供大家参考
方亭建筑施工图
方亭建筑施工图包括卦落大样图、平面图、立面图、剖面图等,供大家参考
首页
上一页
下一页
尾页