一、本章重点:
1.掌握国家标准《机械制图》的基本规定;
2.绘图工具的正确使用;
3.平面图形的分析与作图;
4.掌握绘图的基本方法和步骤。
二、本章难点:
1.尺寸的标注;
2.几何曲线的画法。
三、本章要求:
通过本章的学习,初步了解国家标准《机械制图》的基本规定,能够正确使用绘图工具。掌握几何图形的画法和绘图的步骤以及徒手绘图的一般方法。
四、本章内容:
1-1国家标准《机械制图》的基本规定
一、图纸幅面及格式 ( GB/14689-93)
1.图纸幅面
图纸幅面指的是图纸宽度与长度组成的图面。绘制技术图样时应优先采用 A0 、 A1 、 A2 、 A3 、 A4 五种规格尺寸。
A1 是 A0 的一半,(以长边对折裁开),其余后一号是前一号幅面的一半,一张 A0 图纸可裁 2× n 张 n 号图纸。绘图时图纸可以横放或竖放。
2.图框格式
图纸上限定绘图区域的结框称为图框。在图纸上用粗实线画出图框。如下图。

图框格式
3.标题栏
标题栏是由名称、代号区、签字区、更改区和其它区域组成的栏目。标题栏的基本要求、内容、尺寸和格式在国家标准 GB/T10609.1 — 1989 《技术制图 标题栏》中有详细规定。各单位亦有自己的格式。
标题栏位于图纸右下角,底边与下图框线重合,右边与右图框线重合。如上图。
二、比例 (GB/14960-1993)
比例:图中机件要素的线性尺寸与实际尺寸之比。绘图时尽量采用 1 : 1 的比例。国标 GB/T14690 — 1993 《技术制图 比例》中对比例的选用作了规定。同一张图纸上,各图比例相同时,在标题栏中标注即可,采用不同的比例时,应分别标注。
三、字体 (GB/14961-1993)
图样中书写的汉字、数字、字母必须做到:字体端正、笔划清楚、排列整齐、间隔均匀。字体的书写成长仿宋体,并采用国家正式公布的简化字。
四、图线 (GB/17450-1998)
1 .图线型式及应用
机件的图样是用各种不同粗细和型式的图线画成的。不同的线型有不同的用途,
2 .图线的画法
图线的画法见下图图线在相交、相切处的画法。

正确 错误
五、尺寸标注 (GB4458.4-84 与 GB/16675.2-1996)
1 .尺寸标注的基本规定
( 1 )机件的真实大小应以图样上所标注的尺寸数值为依据,与图形的大小及绘图的准确度无关。
( 2 )图样中的尺寸以 1 毫米为单位时,不需标注计量单位的代号或名称,若采取其他单位,则必须标注。
( 3 )图样中所注的尺寸,为该图样的最后完工尺寸。
( 4 )机件上的每一个尺寸,一般只标注一次,并应标在反映该结构最清晰的图形上。
2 .尺寸的组成
标注完整的尺寸应具有尺寸界线、尺寸线、尺寸数字及表示尺寸终端的箭头或斜线。如下图。

尺寸的组成及标注
3 .各类尺寸的注法
线性尺寸、圆及圆弧尺寸、角度、弧度尺寸、曲线尺寸、简化注法。
一、图板、丁字尺和三角板
1 .图板
图板的规格有 0 号、 1 号、 2 号,它是画图时的垫板,因此,要求表面光洁平整,四边平直。
2 .丁字尺
丁字尺用于画水平线,它由尺头和尺身组成。绘图时尺头靠紧图板。
3 .三角板
二、比例尺
三、曲线板
曲线板是用来画非圆曲线的。
四、绘图仪器
1 .分规
用来量取和等分线段的工具,分规两脚针尖在并拢后应对齐。
2 .圆规
用来画圆及圆弧。
五、绘图用品
1 .铅笔
绘图时应采用绘图铅笔,绘图铅笔有软硬两种,用字母 B 和 H 表示, B (或 H )前面的数字越大表示铅芯愈软(或愈硬)。
2 .其他用品
六、手工绘图机 [yao_page]
1—3 几何作图
一、等分已知线段
如图作线段 AB 五等分
线段五等分
作法: 1 )过端点 A 任作一直线 AC ,用分规以等距离在 AC 上量 1 、 2 、 3 、 4 、 5 各一等分;
2 )连接 5B ,过 1 、 2 、 3 、 4 、等分点作 5B 的平行线与 AB 相交,得等分点 1 ’、 2 ’、 3 ’、 4 ’即为所求。
二、等分圆周和作正多边形
三、圆弧连接
圆弧连接中,按已知条件可以直接作图的线段为已知线段,需要根据与已知线段的连接关系才能作出的圆弧称为连接圆弧。
四、平面曲线
五、斜度和锥度
1 .斜度
斜度是指一直线对另一直线(或平面)的倾斜程度。斜度α =H ﹕ L=1 ﹕n

斜度 斜度符号
斜度的画法如下图
2 .锥度
锥度是指圆锥的底面直径与锥体高度之比,如果是圆台,则为上、下两底圆的直径差与锥台高度之比值。

锥度 锥度符号

锥度的画法 [yao_page]
1—4 平面图形的尺寸分析及画法
一、平面图形的尺寸分析
1.尺寸基准
尺寸基准是指标注尺寸的起点。
2.定形尺寸
确定平面图形形状的尺寸。
3.定位尺寸
确定圆心、线段等在平面图形中的位置的尺寸
二、平面图形的线段分析

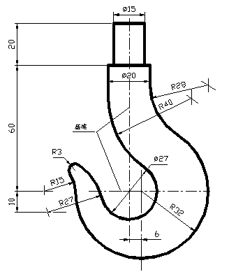
吊 钩
( 1 )已知线段;根据作图的基准位置和尺寸可以直接作出的线段。
( 2)中间线段:给出了定形尺寸,但定位尺寸不全,必须依靠一端与另一段相切画出的线段。
( 3)连接线段:只给出定形尺寸,没有定位尺寸,需要依靠两端与另两线段相切,才能画出的线段。
三、平面图形的作图方法和步骤
画平面图形线段连接时,先画已知线段,再画中间线段,最后画连接线段。
四、平面图形的尺寸标注
标注平面图形的要求是:正确、完整、清晰。

平面图形的尺寸标注
( 1)正确:是指标注尺寸要按国家标准的规定标注,尺寸数值不能写错和出现矛盾;
( 2)完整:是指平面图形的尺寸要注写齐全。
( 3)清晰:是指尺寸的位置要安排在图形的明显处,标注清晰、布局整齐、边缘看图。
1—5 绘图方法和步骤
一、用仪器绘图的方法和步骤
绘图前的准备工作
固定图纸
画底稿
铅笔加深
二、徒手画草图的方法
握笔的方法
直线的画法
圆和曲线的画法