首页

  1. 首页
  2. 电气图纸
  3. 内容

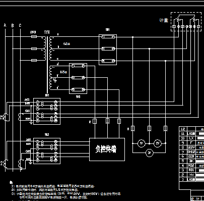
石化厂一次、二次面板接线图

  • 资料大小:248 KB
  • 运行环境:NT/2000/XP/2003/Vista
  • 资料语言:简体中文
  • 资料评级
  • 授权形式:资料共享
  • 更新时间:2016-08-13 17:39
  • 发布作者:擦拉黑哟
  • 插件情况 无插件,请放心使用
  • 文件类型 RAR
  • 解压密码:gc5.com
  • 安全检测 瑞星 江民 卡巴斯基 金山
石化厂一次、二次面板接线图
介绍: 石化厂一次、二次面板接线图包括10KV面板布置图、GGD柜面板布置图、0.4KV电器一次图、10KV一次图、10KV主变开关柜二次接线图等
点击进入下载 (需要 0 积分)

相关文章

回到顶部
请复制以下网址分享
石化厂一次、二次面板接线图
https://m.gc5.com/dqgc/dqtz/10893312.html