首页
分享
首页
电气图纸
内容
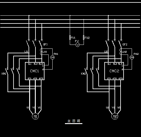
消防专用一用一备软起动控制装置原理图
资料大小
:695 KB
运行环境
:NT/2000/XP/2003/Vista
资料语言
:简体中文
资料评级
:
授权形式
:资料共享
更新时间
:2016-08-21 14:59
发布作者
:擦拉黑哟
插件情况
:
无插件,请放心使用
文件类型
:
RAR
解压密码
:gc5.com
安全检测
:
瑞星
江民
卡巴斯基
金山
介绍: 消防专用一用一备软起动控制装置原理图包括软起动器图、控制端子图、输出信号图、控制回路图、主回路图等,供大家参考!
查看全文
点击进入下载
(需要
0
积分)
相关文章
消防专用一用一备软起动控制装置原理图
20160821
消防专用二用一备软起动控制装置原理图
20160821
和平软起动器典型控制原理图集
20160819
STRA软启动器应用控制原理图集
20160819
和平软起动器典型控制图
20140506
回到顶部
请复制以下网址分享
消防专用一用一备软起动控制装置原理图
https://m.gc5.com/dqgc/dqtz/10896436.html