首页
首页
电气工程
电气图纸
电气图纸
低压配电系统电气图
低压配电系统电气图,供大家参考!
低压配电系统图
低压配电系统图,供大家参考!
低压无功补偿装置电气原理图
低压无功补偿装置电气原理图,供大家参考!
低压系统接线图
低压系统接线图,供大家参考!
低压线路改造工程平面设计图
低压线路改造工程平面设计图,供各位参考!
室外低压线路及路灯景观灯电气平面布置图
室外低压线路及路灯景观灯电气平面布置图,供各位参考!
低压配电屏电气接线设计图
低压配电屏电气接线设计图,供大家参考!
垃圾电厂同期系统电气图
垃圾电厂同期系统电气图,供大家参考!
1#/2#循环水泵电气主回路图
1#/2#循环水泵电气主回路图,供各位参考!
0.4KV低压配电柜全套电气设计图纸
0.4KV低压配电柜全套电气设计图纸包括1#变配电所电气设备总平面布置图、面板布置及加工要求、1D进线柜接线图、1D进线柜(计量负控)接线图、1D进线柜仪表门接线图
低压系统电气原理图
低压系统电气原理图,内容详细,线条清晰明朗,供各位参考!
低压配电盘配置接线图
低压配电盘配置接线图,供大家参考!
0.4KV低压柜布置图
0.4KV低压柜布置图,供大家参考!
10KV变电所电气设计图纸
10KV变电所电气设计图纸包括AH1进线柜二次原理图、AH2计量柜二次原理图、AH3(PT)柜二次原理图、信号柜(PK)二次原理图、AH4,5出线柜二次原理图、变电所AH1~AH5高压一次系统图
变压器、配电屏基础图
变压器、配电屏基础图,供大家参考!
低压系统原理图
低压系统原理图,供各位参考!
100AH直流屏原理接线图
100AH直流屏原理接线图,内容详细,线条清晰明朗,供各位参考!
微机型全自动免维护电池直流屏系统原理图
微机型全自动免维护电池直流屏系统原理图,供大家参考!
380V低压配电系统图
380V低压配电系统图,供大家参考!
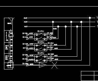
典型装配低压原理图
典型装配低压原理图,供各位参考!
首页
上一页
下一页
尾页