首页
首页
电气工程
电气图纸
电气图纸
低压柜原理设计图
低压柜原理设计图,供各位参考!
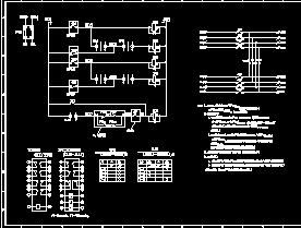
低压原理电气设计图
低压原理电气设计图,供大家参考!
低压柜二次原理图纸
低压柜二次原理图包括1#进线柜控制原理图、联络柜控制原理图、抽屉单元控制原理图、电容器主柜控制原理图、电容器辅柜控制原理图,供大家参考!
变频控制柜电气设计图纸
变频控制柜电气设计图纸包括安装接线图、二次原理图、制造规范,供各位参考!
低压配电屏电气接线图
低压配电屏电气接线图,供各位参考!
GCS配电柜面板电气图
GCS配电柜面板电气图,供各位参考!
KYN28高压开关柜二次系统图
KYN28高压开关柜二次系统图包括压变避雷器柜二次原理图、出线柜二次原理图、进线计量柜二次原理图、进线柜二次原理图,供各位参考!
PC分段开关接线图
PC分段开关接线图,供各位参考!
PLC端子系统电气设计图纸
PLC端子系统电气设计图纸包括2#PLC--DI接线原理图、2#PLC柜电源进出原理图、220AC输入点转换干接点、220AC输入点转换干接点网络布置图、1#柜PLC--DI接线原理图,供各位参考!
PT并列回路设计图
PT并列回路设计图,供各位参考!
SM6进线柜二次接线图
SM6进线柜二次接线图,供各位参考!
TN-S系统过电压保护方式原理图
TN-S系统过电压保护方式原理图,供各位参考!
VS1手车式电气原理图
VS1手车式电气原理图,供各位参考!
全自动免维护电池直流屏系统图
全自动免维护电池直流屏系统图,供各位参考!
备用电源受电柜原理图
备用电源受电柜原理图,供大家参考!
变电公用柜部分电气设计图纸
变电公用柜部分电气设计图纸包括屏后配线图、配线图、屏面布置图等,供大家参考!
1000AH通信电源系统图纸
1000AH通信电源系统图纸包括交直流电源分配屏接线图、通信开关电源屏接线图、通信开关电源屏原理图,供大家参考!
某水电站低压配电盘及平面布置图
某水电站低压配电盘及平面布置图,供各位参考!
某别墅区高低压配电系统图
某别墅区高低压配电系统图,供各位参考!
普通65Ah直流屏盘面布置图纸
普通65Ah直流屏盘面布置图纸,供各位参考!
首页
上一页
下一页
尾页