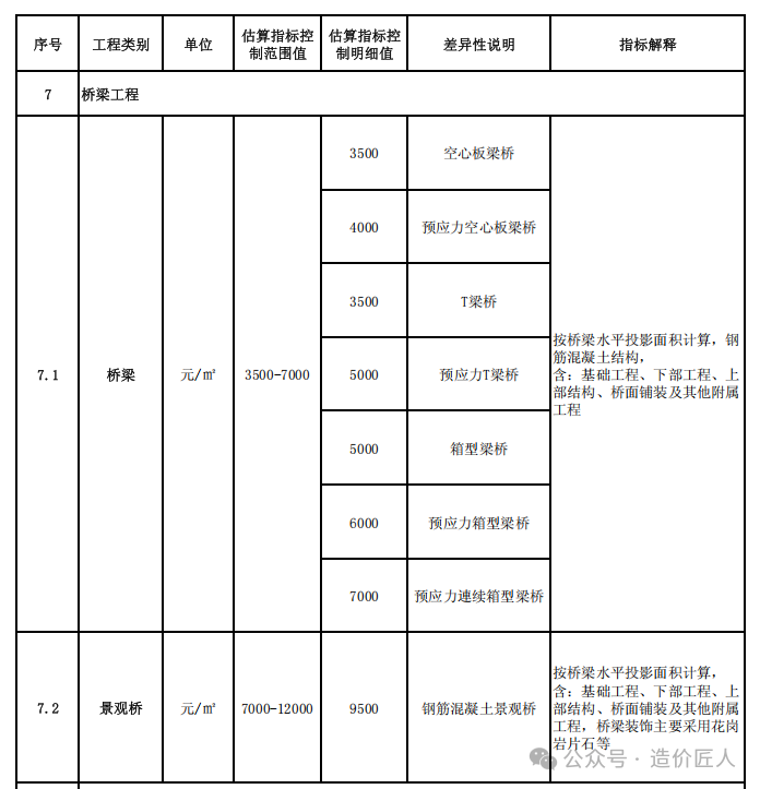
今天分享的是中山市政府投资项目投资估算控制指标的第二部分市政公用指标。包括道路、附属、桥梁、隧道、公园、广场、景观带、水循环和河道工程。 一、道路工程 (1)道路工程包括:场地平整土方、路基修整、铺筑、路面铺筑,含平石、偏沟及措施费(不含大型土方及软基处理);按车行道路面积计算。 (2)人行道路工程(含绿道)包括:场地平整土方、绿道及人行道铺设、侧石、树池铺设及措施费;按人行道面积计算。 (3)大型土方回填工程包括:填土、推平、洒水、碾压、运土等,不计外购土方单价;按土方回填体积计算。 二、市政设施 (1)市政绿化工程包括:绿化地整理、乔木、灌木、地被种植、一年保养;按人行道长度计或绿化隔离带面积计算。 (2)市政道路照明工程包括:土方挖运、回填、基础制安、线路敷设、立灯杆、LED 灯具安装和调试;按道路延长米计算,含箱变,不含外电。 (3)市政交通设施工程包括:线路标志牌制作、安装和线路标线划设,交通信号灯布置等;其中标线标牌按车行道面积计算,交通信号灯按道路路口数量计算。 (4)市政交通安全设施包括:钢筋混凝土护栏、波形钢板护栏或钢制隔离栏;按护栏总长度计算。 (5)市政道路排水工程包括:土方开挖、回填、余泥外运、管路修筑、雨水口、检查井砌筑等;按道路总面积计算;开挖施工;不含软基处理等。 三、市政桥梁 市政桥梁工程包括:基础工程、下部工程、上部结构、桥面铺装及其他附属工程,钢筋混泥土结构;按桥梁水平投影面积计算。 四、下穿隧道 下穿隧道工程包括:敞开段、暗埋段的主体、道路、装饰、电气、排水、消防和泵房(含设备)等工程;按隧道水平投影面积计算。 五、城市公园 城市公园工程包括:园林、景观、广场、园路、照明、给排水、监控、配套建构筑物等;按公园总面积计算。 六、健身广场 健身广场工程包括:广场、绿化、照明、给排水、配套建构筑物等;按广场总面积计算。 七、一河两岸景观带 一河两岸景观带工程包括:绿化、景观、园路、广场、照明、给排水、配套建构筑物等;按景观带面积计算。 八、水循环工程 水循环工程包括泵站工程和管道工程,其中泵站工程包括:支护、基础、阀门井、主体结构、挡土墙、进水渠、电气工程、泵站抽水设备等;按泵站座数计算。管道工程包括:土石方挖运、路面修复部分、循环压力管,管道敷设以开挖施工为主等;按管道总长度计算。 九、河涌整治 河涌整治工程包括:土石方挖运、挖淤泥、基础、浆砌块石挡土墙等;按河涌挡墙总长度计算。 












