1 制图的基本规定
1.1 图纸
1)图纸幅面

2)图框形式

图1.1 图框形式:(a)A0~A3横式幅面;(b)A0~A3立式幅面;(c)A4立式幅面
3)标题栏与会签栏
4)图纸编排顺序


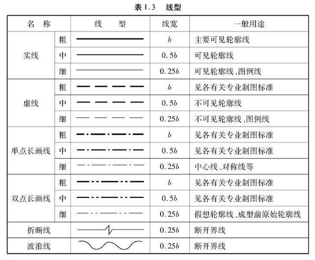
1.2 图线
1)线宽

2)线型

3)图线画法
1.3字体
1)汉字


2)拉丁字母和数字
1.4 比例

图1.6 数字与字母示例
1.5 符号
1)剖切符号

2)索引符号与详图符号

3)对称符号
4)指北针
5)风玫瑰图

1.1.6 定位轴线

1.7 尺寸标注
1)尺寸的组成

2)尺寸数字
3)尺寸的排列与布置

4)半径、直径的标注
5)角度、弧度、弦长的标注

6)坡度的标注

7)标高


2 简化画法
2.1 对称图形的简化画法

2.2 相同构造要素的简化画法

2.3 较长构件的简化画法

2.4 构件的分部画法
2.5 构件局部不同的简化画法
