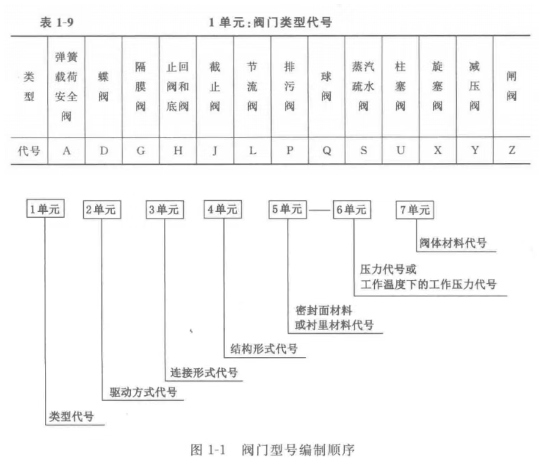
1、公称尺寸 公称尺寸(DN)是用于管道系统元件的字母和数字组合的尺寸标识。它由字母DN和后跟无因次的整数数字组成。这个数字与端部连接件的孔径或外径(用mm表示)等特征尺寸直接相关。 需要注意的是,除在相关标准中另有规定,字母DN后面的数字不代表测量值,也不能用于计算目的。 DN系列的优先选用的DN数值见表1-1。 2、阀门的压力 (1)公称压力 公称压力(PN)是与管道系统元件的力学性能和尺寸特性相关,用于参考的字母和数字组合的标识。它由字母PN和后跟无因次的数字组成。 需要注意:一是字母PN后跟的数字不代表测量值,不应用于计算目的,除非在有关标准中另有规定;二是除与相关的管道元件标准有关联外,术语PN不具有意义;三是管道允许压力取决于元件的PN数值、材料和设计以及允许工作温度等,允许压力在相应标准的压力-温度等级表中给出;四是具有同样PN和DN数值的所有管道元件同与其相配的法兰具有相同的配合尺寸。 PN系列的PN数值应从表1-2所列系列中选择。 (2)阀门的壳体试验压力 阀门的壳体试验压力是指对阀门的阀体和阀盖等连接而成的整个阀门外壳进行试验的压力,其目的是检验阀体和阀盖的致密性及包括阀体与阀盖连接处在内的整个壳体的耐压能力。 阀门的壳体试验压力按照表1-3的规定执行。 (3)阀门的密封试验压力和上密封试验压力 阀门的密封试验压力和上密封试验压力按照表1-4规定执行。 公称压力PN与英制单位压力级CL的对照见表1-5;K级(日本标准压力)与CL的对照见表1-6。 3、压力-温度等级 阀门常用材料许用压力与介质工作温度的关系见表1-7;主要零件材料的使用温度范围见表1-8。 二、阀门型号编制方法、编号、命名的说明 阀门型号由阀门类型、驱动方式、连接形式、结构形式、密封面材料或衬里材料类型、压力或工作温度下的工作压力、阀体材料等七部分组成,其编制顺序如图1-1所示。目前,阀门制造企业一般采用统一的行业标准编号方法;不能采用统一编号方法的,各生产企业可按自己的情况制定出编号方法。 1单元:阀门类型代号,见表1-9的规定。 当阀门还具有其他功能作用或带有其他特异结构时,在阀门类型代号前再加注一个汉语拼音字母,按表1-10的规定。 2单元:阀门驱动方式代号,见表1-11的规定。 说明:安全阀、减压阀、疏水阀、手轮直接连接阀杆操作结构形式的阀门,驱动方式代号省略,不表示。 3单元:阀门连接形式代号,见表1-12的规定。 4单元:阀门结构形式代号,见表1-13~表1-23的规定。 5单元:阀门密封面材料或衬里材料代号,见表1-24的规定。 6单元:压力代号或工作温度下工作压力代号。 说明:当压力等级采用磅级(Lb)或K级单位的阀门,在型号编制时,应在压力代号栏后有Lb或K级单位符号。 7单元:阀体材料代号,见表1-25的规定。 三、阀门种类、启闭原理和结构 1、闸阀 闸阀也叫闸板阀,是一种广泛使用的阀门。它的闭合原理是闸板密封面与阀座密封面高度光洁、平整一致、相互贴合,可阻止介质流过,是靠闸板的楔形形体与阀体的楔形内腔相互配合,并由阀杆上下升降带动闸板闸紧达到密封(关闭)或开启效果的。它在管路中主要起切断作用。 闸阀的优点是:流体阻力小,启闭方便;可以在介质双向流动的状态下使用,没有方向性。因为闸板是楔形体,开启省力,全开时密封面不易冲蚀,结构长度尺寸短,既适合作小阀门,也适合作大阀门。 2、截至阀 截止阀也叫作截门,是使用广泛的一种阀门。它开闭过程中密封面之间摩擦力小,比较耐用,开启高度不大,制造容易,维修方便,不仅适用于中低压,而且适用于高压。 截止阀的闭合原理是:依靠阀杆压力,阀瓣密封面与阀座密封面紧密贴合,阻止介质流通(即关闭时切断介质)。 截止阀只许介质单向流动,安装时有方向性。它的结构长度大于闸阀,同时流体阻力大,长期运行时,密封可靠性不强。 截止阀分为三类:直通式、直角式、直流式(如Y型截止阀)。截止阀实物和结构图见图1-3。 3、蝶阀 蝶阀是指关闭件(阀瓣或蝶板)为圆盘,围绕阀轴旋转来达到开启与关闭的一种阀门。它在管道上主要起切断、节流或调节介质的作用,可用于供水、气体、油品等行业的截流、节流工况场所,还可用于高温、高压的管网系统之中控制介质。 蝶阀主要由阀体、阀杆、蝶板和密封圈组成。阀体呈圆筒形,轴向长度较短,内置蝶板。蝶阀按结构分大概有中线型、单偏心、双偏心、三偏心等种类。 蝶阀主要性能特点如下: (1)结构尺寸较短,型小轻便,操作灵活、省力,经济性好。 (2)密封可靠,可达到气密封无泄漏。 (3)流量特性趋于直线,调节性能最佳。 (4)可用于设计、制造大通径的阀门,直径可达4m左右,易于加工,工艺性好,安装方便。 (5)适用于不同温度及6.4MPa以下的压力等级及耐腐蚀等各种介质管线。 三偏心金属密封蝶阀实物和结构图见图1-4。 4、球阀 球阀是一种启闭件(球体)由阀杆带动,并绕阀杆的轴线做旋转运动的阀门。 球阀的优点如下: (1)流体阻力小,全通径的球阀基本没有流阻。 (2)结构简单,体积小,重量轻。 (3)密封件紧密可靠。球阀有两个密封面,而且其密封面材料广泛使用各种塑料软性材料,密封性能好,能实现零泄漏、完全密封。在真空系统中球阀也已广泛使用。 (4)操作方便,启闭迅速。高性能球阀从全开到全关只要旋转90,便于远距离的控制。 (5)维修方便。球阀结构简单,密封圈一般都是分体、活动的,拆卸更换都比较方便。 (6)在全开或全闭时,球体和阀座的密封面与介质隔离,介质通过时,不会引起阀门密封面的侵蚀。 (7)适用范围广,通径从小到几毫米至大到几米,从高真空至高压力都可应用。 球阀分为两类:一是浮动球式球阀,二是固定球式球阀。球阀实物和结构图见图1-5。 5、疏水阀 疏水阀的种类很多,有浮筒式、浮球式、钟形浮子式、脉冲式、热动力式、热膨胀式。常用的疏水阀有浮筒式、钟形浮子式和热动力式。 浮球式疏水阀实物和结构图见下图 6、安全阀 安全阀是防止介质压力超过规定值起安全作用的阀门。当管路或设备内介质压力超过规定值时,安全阀自动开启排放介质;低于规定值时,启闭件(阀瓣)自动关闭,从而对管道或设备起保护作用。 安全阀常用的术语如下: (1)开启压力:当介质压力上升到规定压力值时,阀瓣便自动开启,介质迅速喷出,此时阀门进口处压力称为开启压力。 (2)排放压力:阀瓣开启后,如设备管路中的介质压力继续上升,阀瓣应全开,排放额定的介质排量,这时阀门进口处的压力称为排放压力。 (3)关闭压力:安全阀开启,排出了部分介质后,设备管路中的压力逐渐降低,当降低到小于工作压力的预定值时,阀瓣关闭,开启高度为零,介质停止流出。这时阀门进口处的压力称为关闭压力,又称回座压力。 (4)工作压力:设备正常工作中的介质压力称为工作压力。此时安全阀处于密封状态。 (5)排量:在阀瓣处于全开状态时,从阀门出口处测得的介质在单位时间内的排出量,称为阀的排量 安全阀实物和结构图见下图






















