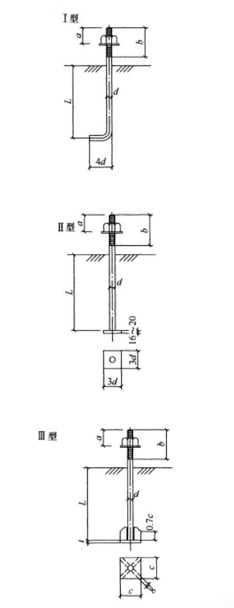
本文详细有据地给出钢结构设计、施工中柱脚锚栓直径和刚架跨度之间的关系,以及根据锚栓直径如何选用锚栓类型,最后介绍锚栓的锚固长度要求。文中所有数据均来源于规范、图集。 一、锚栓构造直径选取 1、图集《单层房屋钢结构节点构造详图》(06SG529-1)第7页 刚架跨度L≤18m时,采用2M24;刚架跨度L≤27m时,采用4M24;刚架跨度L≤30m时,采用4M30。 2、根据《钢结构设计手册》第四版(上册)第13章,第1154页。 刚架跨度L≤15m,锚栓直径d≥24;15m<L≤24m,锚栓直径d≥36;24m<L≤36m,锚栓直径d≥42;36m<L≤48m,锚栓直径d≥50;L≥48m,锚栓直径d≥60,d的单位为mm。 二、锚栓类型选用 根据图集《单层房屋钢结构节点构造详图》(06SG529-1)第14-15页,根据《钢结构设计手册》第四版(上册)第13章,第1158-1161页。20mm≤d≤39mm,选用类型Ⅰ,42mm≤d≤100mm,选用类型Ⅱ和Ⅲ。d为锚栓直径。 三、锚栓锚固长度要求 1、根据《门式刚架轻型房屋钢结构技术规范》(GB51022-2015)10.2.15 第4款, 锚栓的最小锚固长度La不应小于200mm,锚栓直径d不宜小于24mm。且应符合下表要求。 2、根据《钢结构设计标准》(GB50017-2017)12.7.7 第3款,柱脚锚栓应按构造要求设置,直径不宜小于16mm,锚固长度不宜小于其直径的20倍。 3、根据图集《多、高层民用建筑钢结构节点构造详图》(16G519)第34-40页,对于外露式、外包式、埋入式柱脚锚栓锚固长度La≥25d,d为锚栓直径。


