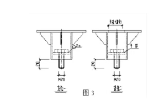
网架构造因其构造新奇,受力合理,自重轻、用钢量低等长处,我国从80年月后期大批浮现,每年约以80~100万m2增添。宽泛使用于大型体育场馆、展览中心、影剧院、商场、航站楼、候车厅、工厂车间、库房、电视塔等。 国内网架构造主要分为:焊接球节(下图)点网架及螺栓球节(下图)点网架两种。螺栓球节点网架其构件工厂内加工量较大,现场安装便利,适用于现场工期紧,施工条件、用电量受限制,网架形状复杂、杆件定位困难的异形构造。本文要点介绍螺栓球节点网架。 一份完好的螺栓球节点网架设计图纸应包括设计说明、网架平面图、网架上下弦及腹杆部署图,支座及支托详图,杆件资料表,螺栓球资料表,螺栓、套筒、顶丝资料表,封板、锥头资料表,螺栓球加工详图(如有其余要求另加,如悬挂件、通风机房等)。第一对图纸中供给的网架平面图和基础平面图进行复核,以保证网架支座地点和基础相符合。接着对网架图供给的杆件资料表进行复核,主假如复核网格的轴线长度,而后依照轴线长度复核杆件的焊接长度,接着复核杆件的下料长度。全部无误后方可依据杆件资料表绘制车间杆件下料表。 螺栓球网架杆件长度受螺栓球直径,螺栓球的切削量,套筒长度,锥头长度等要素的控制。 杆件长度计算公式为: 杆件下料长度=杆件焊接长度—2(锥头长度—锥头止口长度—1mm)。(公式中1mm为钢管和锥头空隙,保证焊接质量) 杆件焊后长度=(杆件几何长度)—(一段球半径+另一段球半径+一段 套筒长度+另一段套筒长度)+(一段螺栓球切削量)+(另一段螺栓球切削量)。 杆件几何中心长度、杆件焊接长度、杆件下料长度、锥头长度、锥头止口长度、段套筒长度、螺栓球切削量、焊接预留空隙,及构件组合详图如图1所示:以上数据在网架设计图中除锥头止口长度外,已经确立。锥头止口长度能够依照网架杆件资料表中的焊接长度和下料长度计算得出,马上计算杆件下料长度的公式逆推: 锥头止口长度=(杆件焊接长度—杆件下料长度)÷2+1mm(公式中1mm为钢管和锥头空隙,保证焊接质量)。 杆件计算的意义: 在网架设计图中,螺栓球加工详图一般表示如图2,其为一般平板螺栓球网架球加工图,其分别表示网架弦杆及腹杆的角度地点及对应螺栓孔的大小,弦杆十字正交,腹杆地点分别由两组角度控制,一组为腹杆水平投影地点和弦杆的交角,另一组为腹杆和其投影平面的交角。上图中腹杆的控制角度一组为47°4′或42°56′,另一组为41°49′。 如图2所示: 依据网架设计图所供给的网格尺寸及网格厚度即可对螺栓球进行计算。 螺栓球计算的意义: 螺栓球网架支托一般为Q235钢,而螺栓球为45号钢,因为两者材质差别较大,施工现场支托安装一般都采纳螺栓连结的形式,支托螺栓一般使用M20一般螺栓即可。支托的加工及安装方法又可分为两中。支托一为支托螺栓和支托焊死,施工时经过旋转支托将其拧入螺栓球内,支托板一定做成圆形;支托二为 支托螺栓和支托不进行焊接,并在支托板顶部开孔,施工利用套管扳手将支托螺栓拧入螺栓球内。如图3: 因为钢管和锥头(封板)在焊接过程中存在焊接缩短,在绘制杆件加工资料表时应将杆件下料长度加焊接缩短量,焊接缩短量值可依照公式计算,也可依据车间实质测得的数据得出,实质操作中一般取后者。依据钢管的壁厚其缩短量经验值以下表(mm): 由于杆件的下料长度已含有缩短量值,钢管和锥头(封板)组合时其组合长度应为焊接长度加缩短量,这样即可保证两者之间的预留焊接空隙,也可保证杆件焊接达成后恢复到需要的焊接长度。螺栓球网架节点详解

一、设计图纸分解
二、杆件的计算

三、螺栓球的计算

四、网架支托设计:

五、杆件加工注意事项

参照文件