XXXXXXXXXXX工程——加压气化高层及多层钢构造为钢框架-支撑构造,设计使用年限50年,构造平安等级为一级,抗震设防烈度7度,设计地震分组为第三组,建筑场地类别二类。该构造抗震设防类别为重点设防〔乙类〕,钢框架抗震等级为二级。 该钢构造安装标高为-5m∽74m,共计14层,主要构件包括十字型钢柱、H型钢柱、H型钢梁、柱间支撑、钢格板、钢楼梯、栏杆、屋面构件等,其中第一节钢柱-5m~采用混凝土钢包柱形式。 1.1、技术资料:根据施工需要配备施工所需的标准、规程、标准、标准图集、定额及质量评定表格等。 1.2、图纸自审会审:工程技术负责人组织技术、质检、预算、测量等相关人员对施工图纸进展自审,审查各专业之间、专业节点之间及说明与图纸之间是否矛盾,由专人负责将自审汇总形成自审记录。参加建立单位组织的图纸会审,明确设计意图和工艺要求,解决自审中提出的问题。 (1)按施工组织设计做好施工作业现场平整、电路畅通。 (2)施工机具及仪器准备齐全。 (3)现场施工平安防护装置准备齐全。 在工程施工过程中组建相应的专业操作班组,成立一个铆焊作业班组,其中包括:铆工、电焊工、火焊工、起重工、测量工、电工、普工等工种;本工程按工程法组织施工,严格按照ISO9002质量体系进展全面的质量管理,加强对工程质量的预控和检查力度;在微观上优化配置劳动力,引入“择优上岗〞的竞争机制,全面推行“奖优罚劣〞的管理方法,强化每一个操作人员的质量意识,从劳动力调配和劳动力管理方面保证工程各工程标的实现,具体劳动力安排见劳动力方案表。 附:劳动力方案表参考 施工机械设备应根据工程需要配置,并经调试运转合格后投入使用。检测设备应根据各专业方面需要配置,并经校检合格后投入使用。 附:主要施工机具方案表参考 吊装机械的选型及布置为施工中的重点与难点,直接影响着施工方案的可行性、平安性与经济性。根据现场周围作业环境,吊车可在5轴东侧及1轴西侧吊装钢构件。1轴西侧回转半径约为18m,5轴东侧回转半径约为32m,根据各构件重量及安装标高综合考虑选择适宜的吊装机械。选择的吊装机械为:260t汽车吊和100t履带吊。 附:260吨汽车吊性能参数 附:100吨履带吊性能参数 钢构造系统在安装之前,需要与土建专业进展工作面的交接工作,为钢构造施工提供良好的安装作业面。 在进展安装作业面的交接之前需要与其他专业协调,留出充分的安装周期,保证施工的质量及工期目标。 钢柱根底地脚螺栓的埋设精度,直接影响到钢柱的安装质量与进度,所以在钢柱吊装前,必须对已完成施工的预埋螺栓的轴线,标高及螺栓的伸出长度进展认真的核查,验收。对超过标准不合格者,要提请监理和有关方会同解决。对弯曲变形的地脚螺栓,要进展校正;螺纹要清理干净,对已损伤的螺牙要进展修复,并应将所有埋设好的螺栓予以保护。 本工程第一节钢柱主要为十字柱、H型柱。根据钢构件的重量及吊点情况,准备足够的不同长度、不同规格的钢丝绳以及卡环。准备好爬梯、缆风绳、工具包以及扳手等小型工具。 安装前要对预埋件进展复测,并在根底上进展放线。根据钢柱的底标高调整好螺杆上的螺帽。然后钢柱直接安装就位。当由于螺杆长度影响,螺帽无法调整时,可以在根底上设置垫铁进展垫平,就是在钢柱四角地脚螺栓处设置垫铁,并由测量人员跟踪抄平后钢柱安装就位,每组垫铁宜不多于5块。垫铁与根底面和地脚板的接触应平整、严密。 钢柱吊升到位后,首先将钢柱底板穿入地脚螺栓,放置在调节好的螺帽上,并将柱的四面中心线与根底放线中心线对齐吻合,四面兼顾,中心线对准或已使偏差控制在标准许可的范围以内时,穿上压板,将螺栓拧紧。即为完成首层钢柱的就位工作。 当首层梁柱安装并焊接完成及柱脚二次灌浆完成后,可进展上节柱的吊装。钢柱吊装从中间向四周扩散的顺序进展安装。钢柱起吊前,在柱顶设置3到4根揽风绳,当钢柱吊装到位后,立即安装对接用连接板,并拧紧螺栓,同时拉紧并固定好揽风绳。通过揽风绳及吊车调整钢柱的标高及垂直度,调整好后,在钢柱对接缝电焊打底一遍,确保钢柱稳定可靠后,方可摘钩,进展下一根钢柱的吊装,待安装完2~3根钢柱后,及时安装钢梁,增强已安装构件的平安稳定性。后续钢柱安装后,及时安装钢梁,并可陆续撤除前面的揽风绳,防止影响其他梁柱的安装。上层钢构造可依次按照次方法施工。 钢柱安装需做好平安措施,每一层钢梁安装完成后,及时安装平台钢格板及钢楼梯,并设置临边栏杆,便于上节构件安装。假设吊装上节柱时,平台钢格板未及时安装,需在钢柱周围采用跳板搭设临时平台,并在安装层高面设置平安绳,施工人员在高空作业必须系挂好平安带。 高层钢构造对安装测量精度要求较高,需要根据具体的构件截面型式和就位需求来进展标识和测量。在钢柱梁形成整体稳定构造前,钢构造安装位置需要进展屡次调整,我们采取提前预计偏差趋势,加强临时固定措施和跟踪测量校正等方法进展测量定位和调校。 钢柱就位后马上进展单根钢柱的垂直度校正,倾斜控制在1/1000内,便于钢梁的连接。待主梁全部安装完毕,作整体的垂直度测量,将测量结果加下节钢柱的轴线偏差,换算出校正后的柱顶轴线偏差。其中要考虑焊接收缩,局部向外侧倾斜预翻变形。 在钢柱的两个不同方向上架设经纬仪或线坠,且通过旋转最少3次经纬仪水平度盘,假设投测点都重合,说明钢柱垂直度无偏差。 本工程钢梁为焊接H型钢梁。钢梁吊装就位时必须用安装螺栓进展连接。钢梁的连接形式有焊接和栓焊连接。钢梁安装时可先将腹板的连接板用安装螺栓进展固定安装,待调校完毕后,再进展焊接。 同平面钢构件吊装,采用从中心向四周扩散的顺序进展吊装,并根据钢柱的吊装顺序依次安装。 立面上钢构件吊装,采用由下至上,顺序安装的方法进展。 相临钢柱安装完毕后,及时连接之间的钢梁使安装的构件及时形成稳定的框架,并且每天安装完的钢柱必须用钢梁连接起来,不能及时连接的应拉设缆风绳进展临时稳固。先主梁后次梁,局部稳定单元柱梁吊装时为了保证构造稳定、便于校正和准确安装,应首先固定顶层梁,再固定下层梁,最后固定中间梁。 钢梁吊装前,应清理钢梁外表污物;对产生浮锈的连接板和摩擦面在吊装前进展除锈,待吊装的钢梁应装配好附带的连接板,并用工具包装好螺栓。钢梁吊装就位时要注意钢梁的方向,确保安装正确。钢梁安装就位时,及时夹好连接板,对孔洞有偏差的接头应用冲钉配合调整跨间距,然后再用螺栓连接后焊接。 为提高钢梁吊装速度,由制作厂制作钢梁时预留吊装孔,作为吊点。钢梁安装采用两点平吊,如以下图所示: 如单根钢梁重量不大,满足一机多吊的要求时,可通过吊装孔多件串吊,如以下图: 吊装前仔细检查钢丝绳、卡环及吊耳,确保吊装机具的结实可靠性。 钢梁吊装时,要保持水平起吊,行进过程中始终保持平稳,并使用揽风绳调整钢梁水平位置,防止撞击它物,直到钢梁到达安装位置。 钢梁吊装前,在钢柱上悬挂直爬梯,待钢梁吊装到位后,施工人员通过直爬梯到达梁柱连接点,并及时系好平安带,方可进展螺栓安装等操作,待螺栓初拧紧固后,可在梁上安置吊笼,便于螺栓终拧及梁翼缘板的焊接作业。 本次施工中共制作四个直爬梯和两个吊笼,示意图如下:
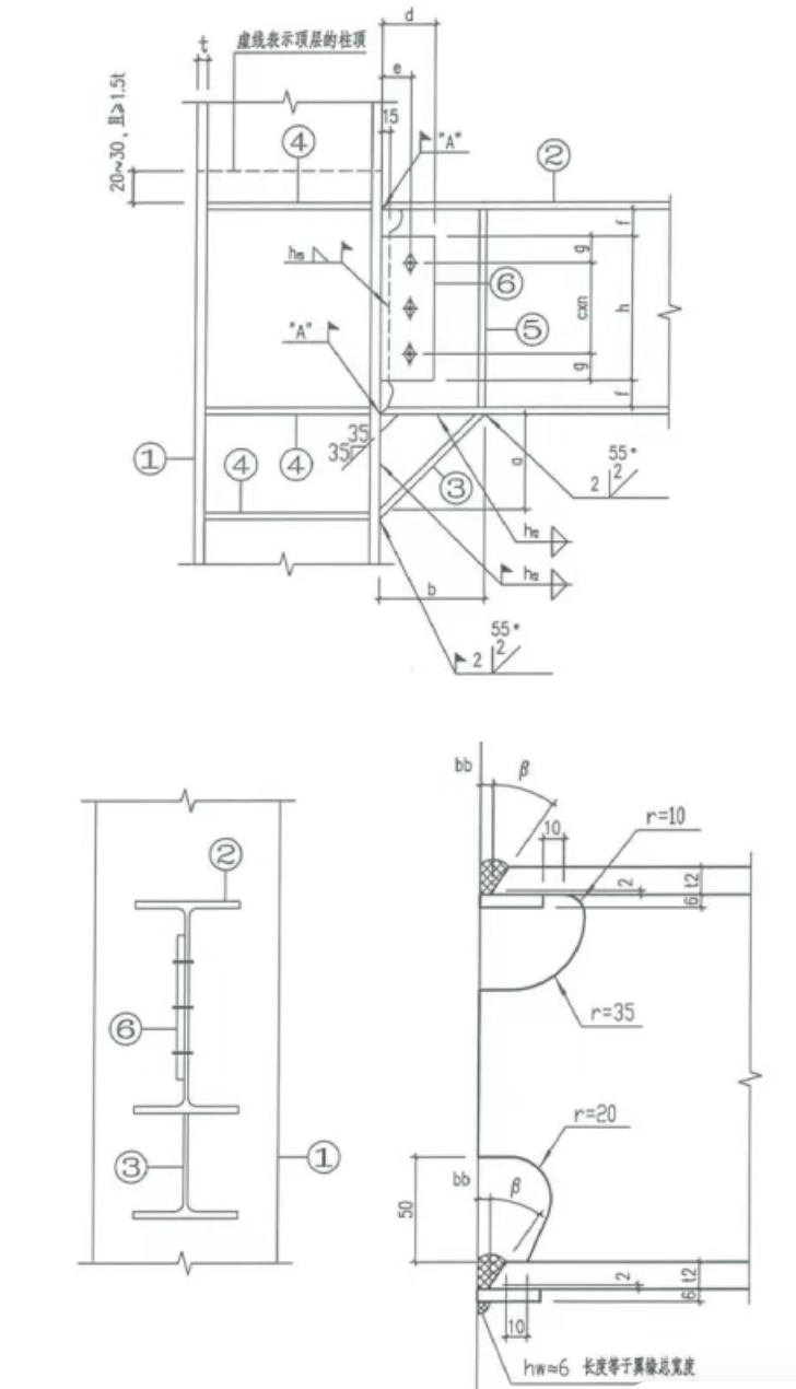
吊笼示意图 1、梁柱焊接材料为J507 焊条和二氧化碳气体保护焊焊丝ER50-6 。 2、焊接工作由经过考试并取得合格证的焊工承当。焊接时,焊工须遵守焊接工艺,不得自由施焊及在焊道外的母材上引弧,不得使用药皮脱落或焊芯生锈的焊条和受潮结块的焊剂以及已熔烧过的渣壳。 3、焊条使用前按其说明书进展烘培,烘培后放入保温筒内,随用随取。焊丝在使用前去除油污、铁锈。保护气体纯度符合焊接工艺评定的要求。 4、定位焊所采用的焊接材料与焊件材质相匹配,焊缝厚度不超过设计焊缝厚度的2/3,且不大于8mm,焊缝长度不小于25mm,定位焊位置布置在焊道以内,并由持合格证的焊工施焊。 5、多层焊接连续施焊,每一层焊道焊接完毕后及时清理检查,去除缺陷后再进展下层焊道焊接。 6、焊缝出现裂纹时,焊工不得擅自处理,须查清原因,订出修补工艺前方可处理。焊缝同一局部的返修次数不超过两次。对接焊缝余高:板厚大于20mm时,余高为0~4mm;板厚小于20mm时,余高为0~3mm。角焊缝余高:焊脚高度大于6mm时,余高为3mm;焊脚高度小于等于6mm时,余高为。 7、焊接检验:按标准GB 50205-2020钢构造工程施工质量验收标准中的要求进展。焊接完毕,焊工清理焊缝外表的熔渣及两侧的飞溅物,检查焊缝外观质量须符合要求。二级焊缝合格率到达96%以上。 附图: 梁柱强轴刚接节点示意图 钢柱对接节点示意图 1、钢构造制作完毕必须对其几何尺寸进展检验,其质量评定与竣工验收按钢构造工程施工质量验收标准?(GB50505-2020)的标准执行。 2、钢构件空间布置、中心、水平、标高必须符合设计要求。 建立由工程经理领导,工程技术负责人、专业施工员中间控制、专职质检员检查的三级管理系统,制定科学的组织保证体系,并明确各岗位职责。同时认真自觉的承受业主、监理单位、当地质量监视机构和社会各界对工程质量实施的监视检查。通过工程质量管理体系协调运作,使工程质量始终处于受控状态。全面、全方位控制工程施工全过程,严格控制每一个分项、分部工程的质量,以确保工程质量目标的实现。 施工质量管理体系是整个施工质量得以控制的关键,工程质量的优劣是对工程班子质量管理能力的最直接的评价。依据国际性的质量管理和质量保证标准ISO9001建立程序化的质量管理体系,使工程施工的每一过程、每一环节都处于受控状态。 质量控制体系是运用科学的管理模式,以质量为中心所制定的保证质量到达要求的循环系统,质量控制体系的设置可使施工过程中有法可依。 施工质量控制体系的设置 施工质量控制体系是按科学的程序运转,其运转的根本方式是PDCA的循环管理活动,它是通过方案、实施、检查、处理四个阶段把生产过程的质量有机地联系起来,而形成一个高效的体系来保证施工质量目标的实现。 以质量目标为依据,编制分部工程质量目标方案,这个目标方案应使在工程参与管理的全体人员均熟悉了解,做到心中有数。 在目标方案制定后,施工现场管理人员应编制相应的工作标准,要求施工班组实施。在实施过程中进展方式、方法的调整,以使工作标准完善。 3、在实施过程中,无论是施工员还是质检人员均要加强检查,在检查中发现的问题及时解决,以使所有质量问题解决于施工之中。并同时对这些问题进展汇总,形成书面材料,以确保在今后或下次施工时不出现类似问题。 工程部平安保证体系图 (1)认真执行国家相关的法律法规及顾客要求,建立健全职业安康平安管理体系,标准管理体系各要素的管理和控制,确保管理体系的符合性、适宜性和有效性。 (2)全面贯彻执行公司质量、环境、职业安康平安一体化管理手册、程序文件规定的要求,确定工程职业安康平安管理目标,以目标管理为核心,开展体系的管理和运行工作。 (3)按工程施工阶段进展危险源风险因素的识别和评价,对所有危险源风险因素进展广泛的宣传教育,使进入现场的所有人员都能准确了解现阶段施工现场的危险源风险因素,以提高自我保护意识。 (4)对已确定的重大危险源风险因素均进展明确标识,并制定和实施管理方案进展控制。 (5)对各种设施、设备和“四口〞、“五临边〞等平安危险部位均挂牌明确标志,并按规定采取平安防护和保护措施。 (6)各专业技术人员在编制施工方案的同时,详细编制平安技术措施,并协同专职平安员编制分项工程平安技术交底,以及各种机具的平安操作规程,发至各专业施工班组,并随时检查实施情况。 (7)施工负责人、生产调度员在安排每月方案的同时,必须对本月的施工做出平安交底。在安排生产的同时,优先安排职业安康平安管理活动。 (8)施工班组在每天安排施工任务的同时,组长及班组平安员认真详细做好当日平安交底,并进展记录。做到有据可查。 (9)所使用的平安防护用品,必须到达国家平安标准。工程部必须无条件地保证平安用品发放和使用。 (10)特殊工种必须持证上岗,坚决杜绝无证上岗。 (11)特种作业、高空作业必须划出禁区,并设置围栏,挂牌示警,并设专人看护以免无关人员误入。 (12)高空作业所用梯子、吊具、索具等,必须按规定搭设和安装,材料必须符合有关规定。小型工具,应随手放入工具袋中,以免坠落。 (13)所有施工机械及工机具在使用前必须进展认真检查,确保平安前方可使用。 (14)施工现场用电采用三相五线制,用电设备采用三级用电,两级漏电保护,所有机电设备要做好接地和防雷保护,传动部位要设平安保护罩。 (15)施工电缆要埋地或架空铺设,不准随地乱拖,以免车辆碾压破损后发生触电事故,地下埋设的电缆在周围建筑物上,要有警示标志,防止挖土时挖断。 (16)施工电缆和电线要架空布设时,不能绑在钢管或其它钢构造上,所有开关保险严禁用铝丝或铜丝代替。 (17)建立平安环保巡视制度,设置施工现场平安环保巡视员,随时进展巡视检查,对所发现的问题立即进展整改,以杜绝任何形式的职业安康平安事件发生。 (18)针对可能发生的紧急情况,按照管理体系规定的要求,制定应急预案,规定管理人员的应急职责,配备必要的设施,使突发事件得到有效控制。 (1)工人进场时,及时做好平安三级教育,组织平安知识学习并进展考核,对考核不合格的职工不能录用。组织工人进展平安技术培训和考核,做到持证上岗,对无证操作者一律不允许上岗作业。 (2)在施工生产前,施工技术人员应做好平安技术交底,交底内容应针对施工作业的实际情况,作详细、具体、明确的平安交底。 (3)施工现场所有工人必须严格执行?建筑安装工程平安技术规程?和?建筑安装工人平安技术操作规程?。施工人员应熟知本工种的平安技术操作规程,正确使用个人防护用品采取平安防护措施,进入现场必须遵守平安纪律和制度。 (4)安装用移动式梯子,梯脚底应坚实,并有防滑措施。立梯工作角度以75°±5°为宜,踏板上下间距以30CM为宜,不得缺档;人字梯两边支间夹角以60°为宜,并系好保险拉绳,制止两人同在一个梯面上工作。 (5)施工现场按施工段、作业点划分区管理,每道工序做到“工完场清〞,施工垃圾集中堆放,及时清运,不得在施工中从高空流放倾倒污水、垃圾。材料和工具及时回收、维修、保养、利用、归库,各工序成品保护好。 (16)施工现场机械设备整洁,平安保护装置齐全可靠,并按规定设置机具平安操作规程牌,电气开关箱应带锁。施工现场人员遵守国家有关法律法规,遵守社会公德、职业道德和职业纪律,妥善处理现场周围的公共关系,工地内治安秩序良好。 1、科学的布置施工平面图,按照施工平面图设置各项临时设施,布置各种材料堆放场地、机具堆放场地,并保持施工道路畅通。 2、做到施工区、管理区、生活区布置合理,并各划分区域,各成一体。 3、每一个分项工程施工完,应认真清理现场,做到工完料尽,现场整洁有序。 4、施工现场的用电线路、用电设施的安装使用必须按标准、标准安装并符合平安操作规程。 5、进入厂区作业人员必须遵守龙兴矿业的厂纪、厂规,各级人员要有良好的职业道德,树立企业形象。 6、做好各工种、各专业之间的协调配合工作,防止野蛮施工。 从事高空作业人员应进展体格检查,患有高血压、心脏病及不适宜高空作业人员,不得从事高空作业。 尚未安装栏杆的高空平台应设临时围栏,方准施工人员上高空作业。 超过两米以上高空作业人员,必须系好平安带,高空作业人员应将材料、机具、工具放置妥当,以免掉下伤人,严禁随意上下乱仍物件。 钢构造安装时有大量的高空作业,脚手架搭设要结实,间距和高度要适当,跳板铺设要符合要求。 大风天〔风速大于〕、雷雨天气制止高空作业。 吊装作业前,应对吊装人员进展平安技术教育和平安技术交底和培训,配备好平安防护用品,明确平安生产责任制和具体分工。 吊装作业执行交接班制度,交接班时应进展吊装作业有关平安考前须知等内容的交接工作,吊装工具应在交接班时进展平安检查,已磨损或有隐患的应及时更换。 吊装工作区应有明显标志,设专人戒备,与吊装无关人员严禁入内,起重臂下严禁站人。 构件安装后,应检查连接结实和稳定情况,检查合格后,才可松钩、卸索。 起吊构件应使用交互捻制的钢丝绳,要求有一定的平安系数,钢丝绳有扭结、变形、断丝、锈蚀等现象时,应降低使用标准或报废。编结绳扣应使各股松紧一致,编结长度不小于钢丝绳直径的1、5倍,并不短于300mm,用卡子连成绳扣时,卡子不得少于3个。使用绳卡应将有压板的放在长头一面。使用两根以上绳扣吊装时,吊绳间夹角如大于100°,应采取防滑措施,用四根钢丝绳扣吊装时,应在绳扣间加铁扁担等调节松紧程度。 吊装作业过程中,重物下和受力绳索周围人员不得停留。吊至高空的构件,如遇停电应采取措施放下,不得使重物悬空过夜。 现场临时用电设置必须符合?施工现场临时用电平安技术标准?〔JGJ/T 46-2024〕的要求。 进入施工现场,对现场勘查完毕后,编制用电组织设计,按“三级配电两级保护〞和“一机、一闸、一漏、一箱〞的要求进展临电布设,电缆采用埋地敷设。布设完毕后,经编制、审核、批准部门和使用单位共同验收,合格前方可投入使用。 电工和用电人员必须经国家现行标准考核合格后,持证上岗工作;其他用电人员必须通过相关平安教育和技术交底,考核合格前方可上岗工作。 线路设置: ⑴电缆埋地时埋设深度不小于0.7m,并应在电缆上、下、左、右侧均匀敷设不小于50mm厚的细砂,然后覆盖砖或混凝土板等硬质保护层,埋地电缆路径设方位标志。 ⑵埋地电缆在穿越建筑物、构筑物、道路、易受机械损伤、介质腐蚀场所及引出地面2.0 m高到地下0.2 m处,必须加设防护套管,防护套管内径不小于电缆外径的倍。 ⑶在建筑物内的电缆线路采用电缆埋地引入,严禁穿越脚手架引入。电缆水平辐设宜沿墙或门口刚性固定,最大弧垂距地不小于2.0 m。 ⑷潮湿场所或埋地非电缆配线必须穿管敷设,管口和接头应密封;当采用金属管敷设时,金属管必须等电位连接,且必须与PE线相连接。 ⑸室内配线必须有短路保护和过载保护。对穿管敷设的绝缘导线线路,其短路保护熔断器的熔体额定电流不应大于穿管绝缘导线长期连续服荷允许载流量的倍。 配电箱及开关项箱的设置: ⑴总配电箱应设在靠近电源的区域,分配电箱应设在用电设备或负荷相对集中的区域,分配电箱与开关箱的距离不得超过30m,开关箱与其控制的固定式用电设备的水平距离不宜超过3 m。 ⑵每台用电设备必须有各自专用的开关箱。严禁用同一个开关箱直接控制2台及2台以上用电设备。 ⑶配电箱、开关箱应装置在枯燥、通风及常温场所。周围应有足够2人同时工作空间和通道,不得堆放任何阻碍操作、维修的物品,不得有灌木、杂草。 ⑷配电箱、开关箱内的电器〔含插座〕应按其规定位置紧固在电气安装板上,不得歪斜和松动。 ⑸配电箱的电器安装板上必须分设N线端子板和PE线端子板。N线端子板必须与金属电器安装板绝缘;PE线端子板必须与金属电器安装板做电气连接。进出线中的N线必须通过N线端子板连接;PE线必须通过PE线端子板连接。 ⑹配电箱、开关箱的金属箱体、金属电器安装板以及电器正常不带电的金属底座、外壳等必须通过PE线端子板与PE线做电器连接,金属箱门与金属箱体必须通过采用编织软铜线做电器连接。 ⑺配电箱、开关箱外形构造应能防雨、防尘。 电器装置设置: ⑴配电箱、开关箱内的电器必须可靠、完好,严禁使用破损、不合格的电器。 ⑵总配电箱的电器应具备电源隔离,正常接通与分断电路,以及短路、过载、漏电保护功能。 ⑶分配电箱应装设总隔离开关、分路隔离开关以及总熔断短路器、分路断路器。 ⑷开关箱中漏电保护器的额定动作电流不应大于30mA,额定漏电动作时间不应大于0.1s。使用于潮湿或有腐蚀介质场所的漏电保护器应采用防溅产品,其额定漏电动作电流不应大于15mA,额定漏电动作时间不应大于0.1s。 ⑸总配电箱中漏电保护器的额定漏电动作电流应大于30 mA,额定漏电动作时间应大于0.5s,但其额定漏电动作电流与额定漏电动作时间的乘积不应大于30mA。 ⑹总配电箱和开关箱中漏电保护器的极数和线数必须与其负荷侧负荷的相数和线数一致。 ⑺配电箱、开关箱中的漏电保护器宜选用辅助电源型〔电磁式〕产品,或选用辅助电源故障时能自动断开的辅助电源型〔电子式〕产品。中选用辅助电源故障时不能自动断开的辅助电源型〔电子式〕产品时,应同时设置缺相保护。 ⑻漏电保护器应按产品说明书安装、使用。对搁置已久重新使用或连接使用的漏电保护器应逐月检测其特性,发现问题应及时修理或更换。 ⑼配电箱、开关箱的电源时线端严禁采用插头和插座做活动连接。 使用与维护: ⑴配电箱、开关箱应有名称、用途、分路标记及系统接线图。 ⑵配电箱、开关箱箱门应配锁,并应由专人负责。 ⑶配电箱、开关箱应定期检查、维修。检查、维修人员必须是专业电工。检查、维修时必须按规定穿、戴绝缘鞋、手套,必须使用电工绝缘工具,并应做检查、维修工作记录。 ⑷对配电箱、开关箱进展定期维修、检查时。必须将其前一级相应的电源隔离开关分闸断电,并悬挂“制止合闸、有人工作〞停电标志牌,严禁带电作业。 ⑸配电箱、开关箱必须按照以下顺序操作: ①送电操作顺序为:总配电箱一分配电箱一总配电箱; ②停电操作顺序为:开关箱一分配电箱一总配电箱。 但出现电气故障的紧急情况可除外。 ⑹施工现场停顿作业1小时以上时,应将动力开关箱断电上锁。 ⑺配电箱、开关箱内不得放置任何杂物,并应保持整洁。 ⑻配电箱、开关箱内不得随意挂接其他用电设备。 ⑼配电箱、开关箱内的电器配置和接线严禁随意改动。 ⑽熔断器的熔体更换时,严禁采用不符合原规格的熔体代替。漏电保护器每天使用前应启动漏电试验按钮试跳一次,试跳不正常时严禁继续使用。 ⑾配电箱、开关箱的进线和出线严禁承受外力,严禁与金属类锐断口、强腐蚀介质和易燃易爆物接触。 施工机具: ⑴使用电开工具,操作人员应戴好绝缘手套,穿绝缘胶鞋。施工现场的电开工具不用时,必须断电,使用电开工具的工作完成后,由专业配电人员及时撤除线路,固定式电开工具和电动设备应在其旁边明显位置悬挂平安操作规程,使用金属外壳的电开工具有可靠接地。 ⑵使用电焊机和操作其它电开工具时,不能站在湿润地带,应采用相应的平安措施。电焊机的一、二次接线板,应有防护罩,并应有独立的电源控制装置,放置地点应选在防雨、防潮、防晒的地点。电焊在施焊前应检查周围,确认无易燃物方可施焊。动用明火前,应在平安部门开具动火证,并有专人看守。 电焊机外壳必须有良好接地,每台电焊机应单独设置电源开关。 电焊龙头线,地线制止与钢丝绳接触,不得用钢丝绳和施工安装设备代替零线,所有线接头必须固紧。 多台电焊机集中焊接施工时,焊接件及设备必须接地良好,接地电阻须检测,应符合平安规程要求。 乙炔瓶使用时,须经常检查回火保护装置,不得与氧气瓶同放一处,气割或施焊位置应离开易燃易爆物距离大于10m。 氧气瓶不得在烈日下曝晒,并应防止油类污染,在临时场所施工时,氧气瓶上应设临时棚架遮盖之。 焊接作业时焊接周围及作业下面垃圾及材料,易燃物品清理干净。第一章 工程概况
第二章 编制依据
第三章 施工进度方案

第四章 施工准备
1、技术准备
2、现场准备
3、劳动力准备及劳动力进场方案

4、主要施工机具准备

5、吊装机械的选用


第五章 钢柱安装
1、工作面的交接
2、钢柱吊装


3、测量控制
柱垂直度的测控

第六章 钢梁安装
1、钢梁安装顺序
2、钢梁吊装的考前须知
3、钢梁吊点的设置


4、钢梁吊装平安措施


第七章 梁柱焊接


第八章 其余构件安装
第九章 检验及验收
第十章 确保质量的技术措施
1、质量保证体系及组织机构
2、质量管理体系运行
3、质量保证程序

4、施工质量控制体系
第十一章 确保平安的技术组织措施
1、平安生产管理措施

2、平安保证体系运行流程图

3、职业安康平安措施
4、现场施工平安管理措施
第十二章 文明施工和环境保护措施
第十三章 危险源辨识与防护措施
1、高空坠落〔高空作业及吊装〕防护措施
2、现场临时用电防触电防护措施
3、焊接作业火灾防护措施