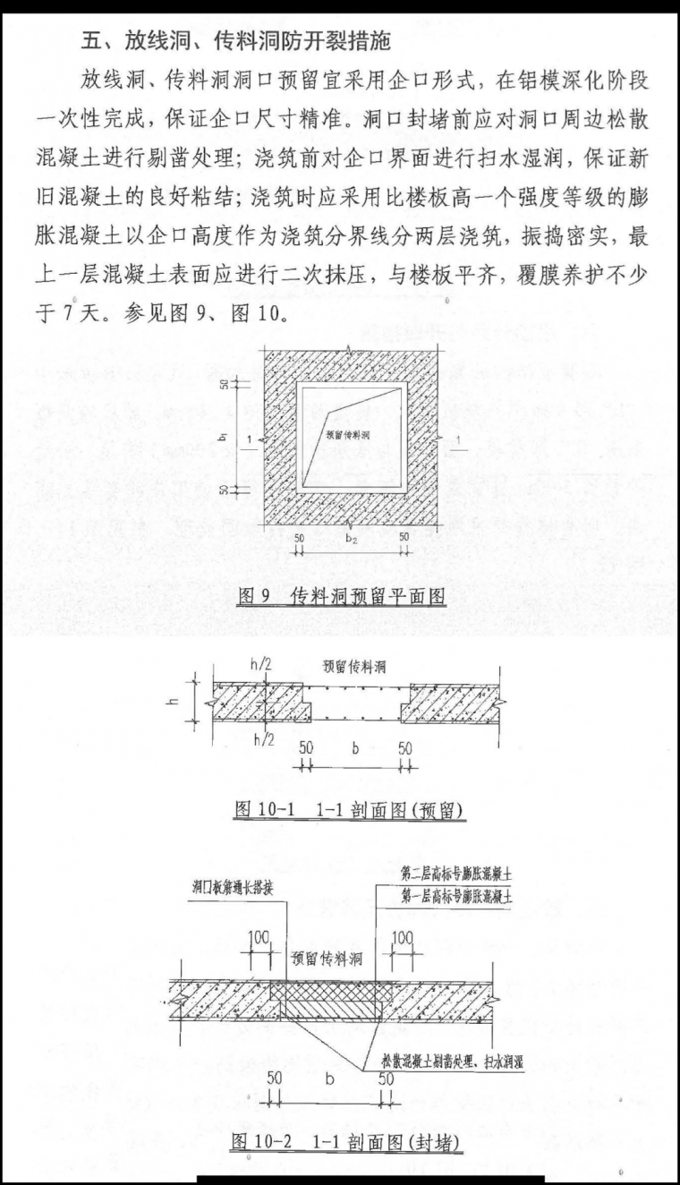
近日,烟台市住建局发布《关于全市推广住宅工程质量技术措施的通知》,推广应用八项住宅工程标准化技术措施与优秀做法,解决开裂、渗漏、隔音差及串味等质量通病。其中,放线洞、传料洞防开裂措施,采用启口形式预埋与标准化封堵施工,推荐大家参考学习。 楼板预留洞口 楼板预留洞质量问题频繁曝光 洞口预留企口形式示例 界面凿毛 洞口周边混凝土凿毛后扫水湿润,保证新旧混凝土界面粘结强度。 钢筋连接 洞口板筋需通长搭接或等强连接,恢复结构受力连续性。 分层浇筑 使用高一级强度等级的膨胀混凝土,分两层浇筑密实。 表面处理 表面二次抹压至与楼板平齐后,进行不少于7天的覆膜保湿养护。 界面凿毛+钢筋连接+分层浇筑






