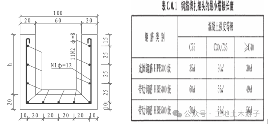
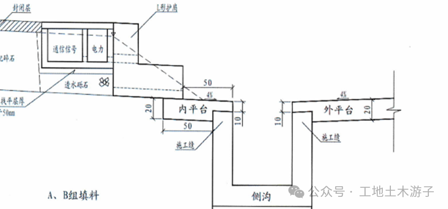
一、施工流程 测量放线→钢筋绑扎→钢筋验收→模板安装→模板验收→混凝土浇筑→混凝土养护。 二、测量放样 根据设计边坡与线路中心线的相对位置,由测量人员用RTK放出侧沟位置线、侧沟底部垫层标高,施工人员随后根据设计形式、尺寸挂线放样,并洒白灰线标示。侧沟尺寸为沟壁厚0.2m,底宽0.6m,沟深0.8m,标高控放样时应严格控制排水坡度不小于2%,保证侧沟排水顺畅,不积水、不得出现倒灌现象。 三、垫层浇筑 路基基床底层填筑至侧沟垫层底面标高后,检测合格后允许进入侧沟施工。侧沟施工前为方便后续钢筋绑扎,施工侧沟垫层,侧沟垫层采用C20混凝土浇筑厚度5cm。 四、钢筋绑扎 侧沟钢筋主筋采用C12光圆钢筋,水平筋采用A8光圆钢筋,水平筋采用绑扎接头,侧沟混凝土为C30,最小搭接长度为30d=24cm,同一断面搭接接头率不大于50%,搭接区段错开1.3倍的搭接长且不小于500mm。侧沟钢筋在检查井位置前后1m范围内采用底板及侧墙均采用双层钢筋加强,钢筋类型不变。侧沟主筋每延米5根,间距20cm一道,水平筋环形布置11根,墙身间距25cm,距侧沟顶15cm为最后一道。底板水平筋间距20cm,主筋及水平筋均居中布置,保证保护层10cm满足设计要求。每隔30m预留20cmPVC管作为线间集水井排水管通道,预留位置为侧沟流水面上20-22cm(具体根据施工图计算)。 五、模板安装 侧沟模板采用定型塑钢模板拼装,模板安装前应将模板表面清理干净,模板拼缝位置采用双面胶带纸塞缝,确保接缝良好不漏浆,加固时采用拉杆对拉,内模采用φ48钢管和钢筋加工成“H型工装”控制侧沟净空,模板后面背上下2道钢管采用双蝴蝶扣进行加固牢靠。侧沟每间隔100m设置1处2m宽维修通道,采用4块58cm宽50cm长6cm厚盖板封闭,此时侧沟墙身顶面宽18cm,下嵌6cm。 六、沉降缝设置 每隔10m设置伸缩缝,缝宽2cm,在施工前提前进行规划,确保平台缝、边坡骨架缝、侧沟沉降缝对齐。施工时在沉降缝位置设置2cm泡沫板,沉降缝位置必须避开汇水口设置,施工完成后清除缝内不少于2cm的泡沫板,全断面采用沥青麻筋/硅酮进行填充。 七、混凝土浇筑 混凝土采用C30混凝土,由拌合站集中供料混凝土罐车运输,混凝土自卸入模。混凝土运至现场后先对混凝土的作性能进行检查,满足要求后方可进行混凝土浇筑。侧沟采用一次浇筑成型,混凝土施工时应自下而上浇筑。应先浇筑侧沟节点处,再浇筑其它部位,边浇筑边用插入式振捣棒对侧沟混凝土进行振捣。路堑侧沟两侧壁顶面均预留10cm,与平台混凝土一次浇筑成型,避免后续侧沟沉降。 八、混凝土养护 当混凝土强度达到2.5MPa后方可拆除侧沟模板,模板拆除后及时对表面混凝土进行修整。混凝土浇筑完成终凝后及时对侧沟混凝土进行土工布覆盖,洒水养护,养护期为7d,养护频次根据天气而定,以保证混凝土面湿润为度。


