路缘石、平缘石、条石是路面施工中的缘石,分布在路面的不同位置,起着不同的作用。

一、位置不同
——路缘石
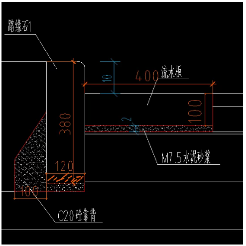
路缘石位于行车道的两侧,高出路面约10cm-20cm。
——平缘石
平缘石位于行车道的两侧,紧贴路缘石铺贴,与路面平齐。二、作用不同
——路缘石
路缘石用于分隔行车道与绿化道或者分隔行车道或人行道,规划和引导道路,保障行人安全,减少交通事故。——平缘石
平缘石的作用在于连接行车路面与路缘石;采用两侧明沟排水时设置平缘石利于排水顺畅;保护路面边缘。——条石
条石是人行道与路基路肩的分界石,保护人行道,装饰人行道线形。路缘石通常为直条型,截面形式有T型、L型、H型等,竖直埋设于行车道两侧,底下有水泥砂浆座浆,外侧有混凝土靠背稳固。——平缘石
平缘石的截面为长方形,平铺于路缘石与行车路面之间,底下有水泥砂浆座浆。——条石
条石的截面通常为长方形,竖直埋设于人行道与路基路肩之间,底下有水泥砂浆座浆。四、材质
路缘石、平缘石、条石通常分为预制混凝土路缘石和天然石材路缘石。同等尺寸,天然石材路缘石比预制混凝土路缘石价格要高。
30mm厚水泥砂浆座浆m3:0.03厚*0.12宽*LC20混凝土靠背m3:(0.03*0.12+0.1*0.1+0.1*0.17/2)*L30mm厚水泥砂浆座浆m3:0.03厚*0.4宽*L30mm厚水泥砂浆座浆m3:0.03厚*0.1宽*LC20混凝土靠背m3:(底0.218*高0.23/2)*L路缘石、平缘石、条石的座浆和混凝土靠背设计不一,做法不同,材料用量不同,每延米造价当然也不同。要精准地算出每延米造价,需要根据截面做法尺寸算出各项工程量,再把算出来的工程量输入到定额消耗量里即可得到相应的造价。要注意的是,定额单位是每100m,算出来的工程量单位是每延米,计算工程量*100才是输入到定额里的量。