一、什么是下挂梁(板)?为什么要做它?
简单来说,下挂梁(板)是指位于框架梁底部、向下延伸同时浇筑的一段混凝土构件。它通常出现在门窗洞口上方,当洞口顶部与框架梁底距离较近,无法正常砌筑墙体或安装预制过梁时使用。
它的核心作用主要有两点:
1. 填补空隙与封堵:封堵梁底与洞口之间的空隙,为门窗等建筑构件提供安装基础。
2. 承担荷载:作为洞口上方的受力构件(替代过梁),承担洞口上方的荷载,并将其有效传递到两侧的墙体或柱子上。
特别提醒:这里的下挂梁(板)通常是作为构造性或辅助受力构件存在的,其设计初衷往往并非为了加大原框架梁的截面尺寸。它与原梁的连接,更多是构造连接或有限的整体受力,而非“加大截面”。
二、施工现场常见的“错误做法”与隐患
在实际项目中,由于施工班组对设计意图理解不清,或管理人员监管不力,经常出现以下违规操作:
1. 随意加大截面,主筋位置下移,改变受力形态
○ 做法:施工人员为了省事,而是直接将下挂梁(板)的高度、宽度增加,将原框架梁下部的主要受力钢筋直接放置到下挂梁(板)的底部,或者将下挂梁(板)的钢筋与梁的钢筋混淆绑扎。
○ 隐患:这种做法改变了原梁的受力形态。原梁的设计配筋、截面尺寸是基于原设计荷载计算的,梁的有效高度(h₀)被人为改变,导致梁的抗弯承载力计算失效,人为加大截面虽然增加了梁的刚度,但也增加了梁的自重和所承受的弯矩,在这种改动下可能变得非常脆弱,极易在跨中产生的受弯裂缝。
2. 擅自变更,无设计确认
○ 做法:这些改动往往是在没有经过设计单位核算、没有履行任何工程变更手续的情况下,由施工方“自作主张”完成的。
○ 隐患:这是严重的违规行为。未经设计确认的结构改动,不仅违反了工程建设强制性标准,也使得工程验收无法通过。
三、正确的施工做法
针对“下挂梁(板)”,我们必须坚持“按图施工、方案先行、交底到位”的原则。
1. 设计确认与图纸深化
如果设计图纸对梁底挂板的节点做法不明确,须通过图纸会审或办理技术核定单的形式,提请设计单位明确节点详图、配筋要求及与原梁的连接方式。切勿凭经验施工。
2. 编制专项方案
在编制混凝土结构施工方案时,应将“下挂梁(板)”作为一个关键节点列出,明确支模方式、钢筋绑扎等要求。
3. 技术交底
施工前,须对施工班组进行技术交底,让现场管理人员和班组清楚,原梁的钢筋位置绝不能随意移动。
4. 规范的钢筋绑扎与支模
○钢筋工程:严格按照设计图纸进行钢筋绑扎。梁的钢筋与挂板的钢筋应各自独立,按设计要求进行锚固或搭接。如果有U型箍筋或构造筋,必须按要求设置,确保挂板自身的结构完整性。
○ 模板工程:下挂梁(板)模板支设应严格控制其截面尺寸和标高,确保挂板与原梁底的接缝严密、平直。
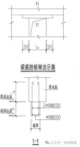
常见下挂梁做法示意(仅供参考,详见设计)

四、管理的责任:从源头杜绝隐患
监理及项目技术管理人员必须加强过程管控,对此类关键节点进行重点复核。一旦发现擅自变更截面或钢筋位置的行为,必须立即责令整改。安全无小事,结构更无“方便”可言。